- Home
- Produkte
- Brandschutzklappen
- CU2L ATEX
CU2L ATEX - Vielseitige rechteckige Brandschutzklappe bis zu 120 Minuten
Explosionsgeschützte Brandschutzklappe zur Verwendung in Zone 1,2 (Gas) und Zone 21,22 (brennbarer Staub) mit einer Verlängerung des Tunnelgehäuses an einer oder beiden Seiten, damit das Klappenblatt nicht über den Tunnel hinausragt. Diese Verlängerung ermöglicht auch die Verwendung einer kreisförmigen Verbindung (PRJ-Flansch).
Vorteile
- ATEX-Zertifikat TÜV 14 ATEX 7540 X
- Kenndaten
- Abmessungen
- Auswahldaten
- Einbau
- Klassifizierung
- Unterlagen
- Mechanismen
- Optionen und Kits
- Flanschtypen
- Kontaktieren Sie uns
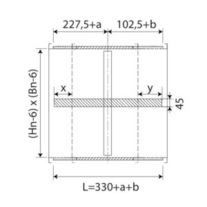
Kenndaten
- Verlängerung: a = Hn/2-230 mm (auf der Seite des Mechanismus); b = Hn/2-100 mm (auf der Wandseite)
