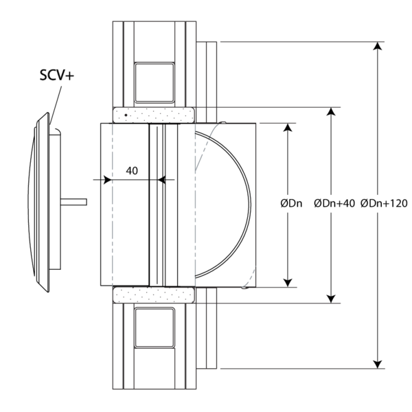
SCV+90 - Einbau

Betrieb: manuelle Öffnung

2
Die zwei Rastfedern vorsichtich eindrücken, um die Klappen zu entriegeln
3
Klicken Sie das Schmelzlot in die Halterung, um die Klappen zu sichern

Betrieb: manuelles Schließen

2
Zum Lösen (Schließen) der Klappenblätter, diese gegeneinander drücken. Vorsichtig das Schmelzlot zur Seite drücken.

Einbau in Massivwand und -decke, Abdichtung mit Mörtel

Das Produkt wurde in den folgenden Wand- und Deckentypen geprüft und zugelassen:
  • Rohdichte ρ ≥ 500 kg/m³; Tragkonstruktion d ≥ 100 mm | EI 90 (ve i o) S - (300Pa) | Mörtel | Art der Installation: Einbau mit Kanal, 0-360° | SCV+90 Ø 100-200 mm
  • Rohdichte ρ ≥ 500 kg/m³; Tragkonstruktion d ≥ 150 mm | EI 90 (ho i o) S - (300Pa) | Mörtel | Art der Installation: Einbau mit Kanal, 0-360° | SC(V)+90

Einbau in Leichtbauwand geeignet für SC(V)+ 90, Verschluss der Öffnung mit mit Steinwolle, Gips und Abdeckplatten

Das Produkt wurde in den folgenden Wand- und Deckentypen geprüft und zugelassen:
  • Metallständerwand: Gipskartonwand Typ F (EN520) ≥ 100 mm | EI 90 (ve i o) S - (300Pa) | Steinwolle ≥ 40 kg/m³ + Gips + Abdeckplatten | Art der Installation: Einbau mit Kanal, 0-360° | SC(V)+90

Einbau in Leichtbauwand und Massivwand, Abdichtung mit Streifen Steinwolleplatten und Beschichtung - SC(V)+90

Das Produkt wurde in den folgenden Wand- und Deckentypen geprüft und zugelassen:
2
Die Wandöffnung um das Lüftungsrohr mit der Brandschutz-Absperrklappe wird mit zwei Lagen 50 mm dicken vorbeschichteten Steinwolleplatten ( Typ PROMASTOP-CB 50 / PROMASTOP-CB/CC 50 / HILTI CFS-CT B) dicht verschlossen
3
Die zwei Steinwolleplatten müssen fugenversetzt und mit der beschichteten Seite nach außen angeordnet werden. Alle Kanten müssen auf gesamter Länge mit der Beschichtung (Typ PROMASTOP-CC / HILTI CFS-S-ACR / Mulcol Multimastic SP) bestrichen werden.
5
Das Lüftungsrohr ist mit einer Lage (>1,5 mm) endothermischer Beschichtung (Typ: PROMASTOP-CC / HILTI CFS-CT) auf einer Länge von 100 mm auf der Seite zu beschichten, auf der die geöffneten Klappenblätter überstehen.
6
Das Lüftungsrohr, in der die Klappe eingesetzt ist, muss nicht mittig der Öffnung verlegt sein (maximal Durchmesser Rohr + 600mm). Der maximale Abstand zwischen der Klappe und dem Rand der Öffnung beträgt 400mm

Allgemeine Bemerkungen

  • Prüfen Sie, ob sich das Klappenblatt frei bewegen kann.
  • Die Brandschutz-Absperrklappe muss für die Überprüfung und Wartung zugänglich sein.
  • Bitte halten Sie Sicherheitsabstände zu anderen Bauelementen ein.

Produktspezifische Bemerkungen

  • Die Klappe muss entsprechend dem Klassifizierungsbericht und der Installationsanweisung installiert werden
  • Die in genormten Tragwerken nach EN 1366-2 erzielten Ergebnisse gelten auch für ähnliche Tragwerke mit einer Feuerbeständigkeit, Dicke und Dichte, die gleich oder größer ist als die des geprüften Tragwerks. Weitere Informationen über genormte Tragwerke: https://www.rft.eu/de-de/seite/normen-gesetze/europaeische-verordnungen/55686
  • Einbaurichtung: Einbau in allen Achslagen möglich (0-360°)
  • Richtung des Luftstroms: beliebig
  • Wenn das Produkt abweichend von den Angaben in diesem Handbuch gehandhabt wird, lehnt Rf-Technologies jegliche Verantwortung ab und die Garantie erlischt!