Go to Rf-t homepage Open to innovation, closed to fire retour
  • Home
    • Clapets coupe-feu
    • Clapets coupe-feu terminaux
    • Volets de désenfumage
    • Volet de transfert
    • Contrôleurs
    • Grilles coupe-feu
    • Manchons coupe-feu
    • Matériau de colmatage
    • Compartimentage
    • Désenfumage
    • Contexte légal
    • Guide des normes de base
    • Clapet coupe-feu et CVC
    • Rf-Technologies
    • Qualité
    • Références clients
    • Offres d'emploi
    • FAQ
    • S'identifier
    • Créer un compte
    • Mot de passe oublié ?
    • BIM
    • Outils de calcul
    • Déclarations des performances
    • Adresse et itinéraire
    • Demander un code d'accès
    • Équipe de vente
    • Après vente
    • België
    • Belgique
    • Deutschland
    • United Kingdom
    • France
    • Italia
    • Nederland
    • Schweiz
    • Suisse
    • Svenska
    • Europe (English)
©2025 Rf-Technologies NV/SA. Tous droits réservés. Données personnelles & Dispositions générales Conditions générales de vente Plan du site
Rf-t Rf-t Open to innovation, closed to fire
  • Belgique

    Choose your language:

    • België
    • Belgique
    • Deutschland
    • United Kingdom
    • France
    • Italia
    • Nederland
    • Schweiz
    • Suisse
    • Svenska
    • Europe (English)
  • Se connecter
  • Configurator
  • Contactez-nous
Rf-t Open to innovation, closed to fire

CU-LT-L500

  • Caractéristiques
  • Dimensions
  • Données de sélection
  • Installation
  • Classement
  • Documents
  • Mécanismes
  • Options et kits
  • Types de bride
  • Home
  • Produits
  • Clapets coupe-feu
  • CU-LT-L500
  • Types de bride

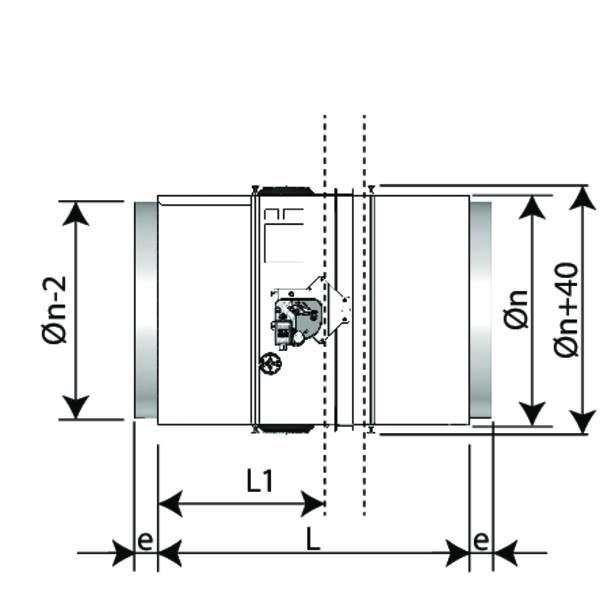
CU-LT-L500 - Types de bride

PG20 - Raccordement sur gaines pourvues de brides de 20 mm (soit par un système à glissière, soit par des boulons). Trous elliptiques de Ø 9,5 x 20 mm.

PRJ - Raccordement circulaire avec joint d'étanchéité sur un clapet rectangulaire avec bride PG20.

  • Caractéristiques
  • Dimensions
  • Données de sélection
  • Installation
  • Classement
  • Documents
  • Mécanismes
  • Options et kits
  • Types de bride
To top

Produits

  • Clapets coupe-feu
  • Clapets coupe-feu terminaux
  • Volets de désenfumage
  • Volet de transfert
  • Contrôleurs
  • Grilles coupe-feu
  • Manchons coupe-feu
  • Matériau de colmatage

Sécurité incendie

  • Compartimentage
  • Désenfumage
  • Contexte légal
  • Guide des normes de base
  • Clapet coupe-feu et CVC

Qui est Rf-Technologies

  • Rf-Technologies
  • Qualité
  • Références clients
  • Offres d'emploi
  • FAQ

My Rf-t

  • S'identifier
  • Créer un compte
  • Mot de passe oublié ?
  • BIM
  • Outils de calcul
  • Déclarations des performances

Contact

  • Adresse et itinéraire
  • Demander un code d'accès
  • Équipe de vente
  • Après vente
©2025 Rf-Technologies NV/SA. Tous droits réservés.
  • Données personnelles & Dispositions générales
  • Conditions générales de vente
  • Plan du site