Go to Rf-t homepage Open to innovation, closed to fire back
  • Home
    • Serrande tagliafuoco
    • Cartucce serrande tagliafuoco
    • Serrande tagliafumo
    • Griglie tagliafuoco
    • Accedi
    • Crea account
    • Password dimenticata?
    • BIM
    • Calculation Tools
    • Rf-Select
    • Declarations of performance
    • Indirizzo
    • Crea account
    • Team di vendita
    • Assistenza post-vendita
    • België
    • Belgique
    • Deutschland
    • United Kingdom
    • France
    • Italia
    • Nederland
    • Schweiz
    • Suisse
    • Svenska
    • Europe (English)
©2025 Rf-Technologies NV/SA. Tutti i diritti riservati. Privacy & Disclaimer Algemene verkoopsvoorwaarden Site-overzicht
Rf-t Rf-t Open to innovation, closed to fire
  • Italia

    Choose your language:

    • België
    • Belgique
    • Deutschland
    • United Kingdom
    • France
    • Italia
    • Nederland
    • Schweiz
    • Suisse
    • Svenska
    • Europe (English)
  • Accedi
  • Configurator
  • Contatto
Rf-t Open to innovation, closed to fire

CU2L

  • Caratteristiche
  • Dimensioni
  • Dati di selezione
  • Installazione
  • Classificazione
  • Documenti
  • Meccanismi
  • Opzioni e kit
  • Tipi di flangia
  • Home
  • Prodotti
  • Serrande tagliafuoco
  • CU2L
  • Tipi di flangia

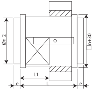
CU2L - Tipi di flangia

PG30 - Connessione a canali con flange da 30 mm (con profilo di scorrimento, bulloni o morsetti). Fori ellittici Ø 8,5 x 16 mm.

PG40 - Connessione a canali con flange da 40 mm (con profilo di scorrimento, bulloni o morsetti). Fori ellittici Ø 8,5 x 16 mm.

PG20 - Connessione a canali con flange da 20 mm (con profilo di scorrimento, bulloni o morsetti). Fori ellittici Ø 6,5 x 16 mm.

PM - Connessione a canali mediante inserimento. Questo tipo di flangia viene utilizzata in caso di mancanza di spazio per una flangia standard PG30.

PP - Nessuna connessione. Questo tipo di flangia è utilizzato sul lato della serranda rivolto verso il locale.

PRJ - Connessione circolare con anello di tenuta in gomma.

PPT - Griglia. Perfetta come griglia di protezione per la sezione terminale di canali di ventilazione.

  • Caratteristiche
  • Dimensioni
  • Dati di selezione
  • Installazione
  • Classificazione
  • Documenti
  • Meccanismi
  • Opzioni e kit
  • Tipi di flangia
To top

Prodotti

  • Serrande tagliafuoco
  • Cartucce serrande tagliafuoco
  • Serrande tagliafumo
  • Griglie tagliafuoco

My RF-T

  • Accedi
  • Crea account
  • Password dimenticata?
  • BIM
  • Calculation Tools
  • Rf-Select
  • Declarations of performance

Contatto

  • Indirizzo
  • Crea account
  • Team di vendita
  • Assistenza post-vendita
©2025 Rf-Technologies NV/SA. Tutti i diritti riservati.
  • Privacy & Disclaimer
  • Algemene verkoopsvoorwaarden
  • Site-overzicht