Open to innovation, closed to fire
back
Home
Products
Fire dampers
Fire damper cartridges
Smoke control dampers
Transfer shutter
Controllers
Fire resistant grilles
Fire resistant collars
Sealing material
Fire safety
Compartmentation
Smoke control
Legal context
Fire dampers and HVAC
About Rf-Technologies
Rf-Technologies
Quality
References
Career
FAQ
My Rf-t
Sign in
Create your account
Forgot your password?
BIM
Calculation Tools
Rf-Select
Catalogue
Declarations of performance
Contact
Address and route description
Login request
Sales team
After sales
English (change language)
België
Belgique
Deutschland
United Kingdom
France
Italia
Nederland
Schweiz
Suisse
Svenska
Europe (English)
©2025 Rf-Technologies NV/SA. All rights reserved.
Privacy & Disclaimer
General terms and conditions
Sitemap
Open to innovation, closed to fire
Europe (English)
Choose your language:
België
Belgique
Deutschland
United Kingdom
France
Italia
Nederland
Schweiz
Suisse
Svenska
Europe (English)
Log in
Configurator
About us
Contact us
Open to innovation, closed to fire
CR120-1S-L500
Features
Dimensions
Selection data
Installation
Classification
Documents
Mechanisms
Options and kits
Home
Products
Fire dampers
CR120-1S-L500
Dimensions
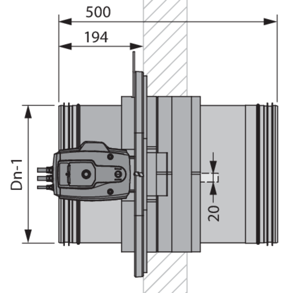
CR120-1S-L500 - Dimensions
Range and dimensions
ØDn [mm]
100
125
160
200
250
315
L [mm]
500
500
500
500
500
500
MFUS
ONE (X)
BFLT
P
72
80
63
Q
123
136
100
Z
70
75
58
Weights
Scroll down/right to view the entire table
ØDn [mm]
100
125
160
200
250
315
kg
5,9
6,8
8,7
10,1
11,7
13,2
Features
Dimensions
Selection data
Installation
Classification
Documents
Mechanisms
Options and kits
To top