- Home
- Prodotti
- Serrande tagliafuoco
- CU-LT-1S
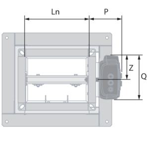
- Dimensioni
CU-LT-1S - Dimensioni
Gamma e dimensioni
Pesi Scorri verso il basso/destra per visualizzare l'intera tabella
| An\Ln [mm] | 200 | 250 | 300 | 350 | 400 | 450 | 500 | 550 | 600 | 650 | 700 | 750 | 800 | |
|---|---|---|---|---|---|---|---|---|---|---|---|---|---|---|
| 100 | kg | 6,2 | 6,9 | 7,6 | 8,3 | 9,0 | 9,8 | 10,5 | 11,2 | 11,9 | 12,6 | 13,3 | 14,0 | 14,8 |
| 150 | kg | 7,1 | 7,9 | 8,7 | 9,6 | 10,4 | 11,2 | 12,0 | 12,9 | 13,7 | 14,5 | 15,3 | 16,2 | 17,0 |
| 200 | kg | 8,0 | 9,0 | 9,9 | 10,8 | 11,8 | 12,7 | 13,6 | 14,5 | 15,5 | 16,4 | 17,3 | 18,3 | 19,2 |
| 250 | kg | 9,0 | 10,0 | 11,0 | 12,1 | 13,1 | 14,1 | 15,2 | 16,2 | 17,3 | 18,3 | 19,3 | 20,4 | 21,4 |
| 300 | kg | 9,9 | 11,0 | 12,2 | 13,3 | 14,5 | 15,6 | 16,7 | 17,9 | 19,0 | 20,2 | 21,3 | 22,5 | 23,6 |
| 350 | kg | 10,8 | 12,1 | 13,3 | 14,6 | 15,8 | 17,1 | 18,3 | 19,6 | 20,8 | 22,1 | 23,3 | 24,6 | 25,8 |
| 400 | kg | 11,8 | 13,1 | 14,5 | 15,8 | 17,2 | 18,5 | 19,9 | 21,2 | 22,6 | 24,0 | 25,3 | 26,7 | 28,0 |
| 450 | kg | 12,7 | 14,1 | 15,6 | 17,1 | 18,5 | 20,0 | 21,5 | 22,9 | 24,4 | 25,8 | 27,3 | 28,8 | 30,2 |
| 500 | kg | 13,6 | 15,2 | 16,7 | 18,3 | 19,9 | 21,5 | 23,0 | 24,6 | 26,2 | 27,7 | 29,3 | 30,9 | 32,4 |
| 550 | kg | 14,5 | 16,2 | 17,9 | 19,6 | 21,2 | 22,9 | 24,6 | 26,3 | 28,0 | 29,6 | 31,3 | 33,0 | 34,7 |
| 600 | kg | 15,5 | 17,3 | 19,0 | 20,8 | 22,6 | 24,4 | 26,2 | 28,0 | 29,7 | 31,5 | 33,3 | 35,1 | 36,9 |