- Home
- Producten
- Brandwerende kleppen
- CU-LT
- Installatie
CU-LT - Installatie
Plaatsing op minimale afstanden van een andere brandklep of van een aanpalende wand/vloer

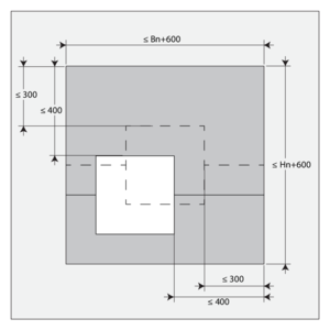
Principe
Volgens de Europese testnorm EN 1366-2 bedraagt de minimaal vereiste afstand tussen 2 brandkleppen 200 mm en tussen een brandklep en een andere (draag)constructie 75 mm. Enkel als de klep op een kortere afstand van andere elementen werd getest, dan mag ze ook zo geplaatst worden. Deze brandklep van Rf-Technologies werd met succes getest en mag geïnstalleerd worden op een kortere afstand dan het door de norm vastgelegde minimum, zowel in verticale wand als in vloer/plafond.
Voor rechthoekige brandkleppen bedraagt de minimale afstand 50 mm tussen 2 kleppen of tussen klep en verticale wand en 25 mm tussen klep en vloerplaat.
Volgens de Europese testnorm EN 1366-2 bedraagt de minimaal vereiste afstand tussen 2 brandkleppen 200 mm en tussen een brandklep en een andere (draag)constructie 75 mm. Enkel als de klep op een kortere afstand van andere elementen werd getest, dan mag ze ook zo geplaatst worden. Deze brandklep van Rf-Technologies werd met succes getest en mag geïnstalleerd worden op een kortere afstand dan het door de norm vastgelegde minimum, zowel in verticale wand als in vloer/plafond.
Voor rechthoekige brandkleppen bedraagt de minimale afstand 50 mm tussen 2 kleppen of tussen klep en verticale wand en 25 mm tussen klep en vloerplaat.

Gecertificeerde oplossing
De gecertificeerde oplossing voor de Rf-t kleppen bestaat uit volgende elementen: A: Universele afdichting voor minimale afstanden; B: Afdichting volgens de reeds bestaande classificaties (zie Prestatieverklaring).
A. Afdichting van de opening aan de zijde met minimale afstanden t.o.v. een constructiedeel of een andere brandklep: harde steenwolplaten (150 kg/m³) over een diepte van min. 400 mm, waarvan 150 mm aan de mechanismezijde van de wand. Aan de niet-mechanismezijde van de wand moeten de steenwolplaten minstens gelijk met de wand uitkomen.
Deze afdichting wordt toegepast langs de hele breedte/hoogte van de klep.
Bij een afstand tussen klep en vloer/plafond van 25 mm mag de harde steenwolplaat (A) vervangen worden door standaard steenwol 40 kg/m³, minstens 40% samengedrukt.
B. De overige afdichtingen kunnen worden uitgevoerd volgens de bestaande oplossingen (prestatieverklaring).
Gedetailleerde informatie voor elke combinatie wand/afdichting vindt u bij de betreffende installatiemethodes.
De asrichting van het klepblad is vrij te kiezen: plaatsing met as horizontaal of verticaal.
De gecertificeerde oplossing voor de Rf-t kleppen bestaat uit volgende elementen: A: Universele afdichting voor minimale afstanden; B: Afdichting volgens de reeds bestaande classificaties (zie Prestatieverklaring).
A. Afdichting van de opening aan de zijde met minimale afstanden t.o.v. een constructiedeel of een andere brandklep: harde steenwolplaten (150 kg/m³) over een diepte van min. 400 mm, waarvan 150 mm aan de mechanismezijde van de wand. Aan de niet-mechanismezijde van de wand moeten de steenwolplaten minstens gelijk met de wand uitkomen.
Deze afdichting wordt toegepast langs de hele breedte/hoogte van de klep.
Bij een afstand tussen klep en vloer/plafond van 25 mm mag de harde steenwolplaat (A) vervangen worden door standaard steenwol 40 kg/m³, minstens 40% samengedrukt.
B. De overige afdichtingen kunnen worden uitgevoerd volgens de bestaande oplossingen (prestatieverklaring).
Gedetailleerde informatie voor elke combinatie wand/afdichting vindt u bij de betreffende installatiemethodes.
De asrichting van het klepblad is vrij te kiezen: plaatsing met as horizontaal of verticaal.

Beperkingen
Het maximum aantal rechthoekige kleppen dat naast elkaar op een minimale afstand mag geïnstalleerd worden, is beperkt tot 2 kleppen, zowel horizontaal als verticaal (met een cluster van maximaal 4 kleppen).
Opmerking: bij het afdichten met brandwerende steenwolplaten is het maximale aantal kleppen ook afhankelijk van de maximale oppervlakte toegestaan voor het geselecteerde afdichtingsmateriaal. Voor deze informatie verwijzen wij u naar de instructies van de fabrikant.
Opmerking: voor inbouw in flexibele schachtwand en CLT wand gelden aparte voorwaarden. Gedetailleerde informatie vindt u bij de betreffende installatiemethodes.
Het maximum aantal rechthoekige kleppen dat naast elkaar op een minimale afstand mag geïnstalleerd worden, is beperkt tot 2 kleppen, zowel horizontaal als verticaal (met een cluster van maximaal 4 kleppen).
Opmerking: bij het afdichten met brandwerende steenwolplaten is het maximale aantal kleppen ook afhankelijk van de maximale oppervlakte toegestaan voor het geselecteerde afdichtingsmateriaal. Voor deze informatie verwijzen wij u naar de instructies van de fabrikant.
Opmerking: voor inbouw in flexibele schachtwand en CLT wand gelden aparte voorwaarden. Gedetailleerde informatie vindt u bij de betreffende installatiemethodes.
Plaatsing in massieve wand en vloer
Het product werd getest en goedgekeurd in:
- Cellenbeton ≥ 100 mm | EI 90 (ve i o) S - (500 Pa) | Mortel | Installatiemethode: ingebouwd 0°/90°/180°/270°. Minimum afstand toegestaan. | 200x100 mm ≤ CU-LT ≤ 800x600 mm
- Cellenbeton ≥ 100 mm | EI 120 (ve i o) S - (500 Pa) | Gips | Installatiemethode: ingebouwd 0°/90°/180°/270°. Minimum afstand toegestaan. | 200x100 mm ≤ CU-LT ≤ 800x600 mm
- Gewapend beton ≥ 110 mm | EI 90 (ho i o) S - (500 Pa) | Mortel | Installatiemethode: ingebouwd 0°/90°/180°/270°. Minimum afstand toegestaan. | 200x100 mm ≤ CU-LT ≤ 800x600 mm
- Gewapend beton ≥ 150 mm | EI 120 (ho i o) S - (500 Pa) | Gips | Installatiemethode: ingebouwd 0°/90°/180°/270°. Minimum afstand toegestaan. | 200x100 mm ≤ CU-LT ≤ 800x600 mm

De brandkleppen mogen geïnstalleerd worden op een kortere afstand van een vloer/plafond (≥ 25 mm), van een wand of van een andere klep (≥ 50 mm).

Installeer de brandkleppen in de opening.
Dicht de opening aan de zijde met minimale afstanden af met harde steenwolplaten (≥ 150 kg/m³) over een diepte van 400 mm (150 mm aan de mechanismezijde van de wand).
Deze afdichting wordt toegepast langs de hele breedte/hoogte van de klep.
Bij een afstand tussen klep en vloer/plafond van 25 mm mag de harde steenwolplaat vervangen worden door standaard steenwol ≥ 40 kg/m³ (bv. Rockfit 431), minstens 40% samengedrukt.
Dicht de opening aan de zijde met minimale afstanden af met harde steenwolplaten (≥ 150 kg/m³) over een diepte van 400 mm (150 mm aan de mechanismezijde van de wand).
Deze afdichting wordt toegepast langs de hele breedte/hoogte van de klep.
Bij een afstand tussen klep en vloer/plafond van 25 mm mag de harde steenwolplaat vervangen worden door standaard steenwol ≥ 40 kg/m³ (bv. Rockfit 431), minstens 40% samengedrukt.
Plaatsing in massieve wand met IFW inbouwkit
Het product werd getest en goedgekeurd in:
- Cellenbeton ≥ 105 mm | EI 90 (ve i o) S - (300 Pa) | Inbouwkit IFW | Installatiemethode: ingebouwd 0/90/180/270°. Minimum afstand toegestaan. | 200x100 mm ≤ CU-LT ≤ 800x600 mm
- Cellenbeton ≥ 100 mm | EI 90 (ve i o) S - (500 Pa) | Inbouwkit IFW | Installatiemethode: ingebouwd 0°/90°/180°/270° | 200x100 mm ≤ CU-LT ≤ 800x600 mm
Plaatsing in flexibele wand (metal stud en gipskartonplaten) met IFW inbouwkit
Het product werd getest en goedgekeurd in:
- Metal stud gipsplatenwand Type A (EN 520) ≥ 100 mm | EI 60 (ve i o) S - (500 Pa) | Inbouwkit IFW | Installatiemethode: ingebouwd 0°/90°/180°/270° | 200x100 mm ≤ CU-LT ≤ 800x600 mm
- Metal stud gipsplatenwand Type F (EN 520) ≥ 100 mm | EI 90 (ve i o) S - (500 Pa) | Inbouwkit IFW | Installatiemethode: ingebouwd 0°/90°/180°/270° | 200x100 mm ≤ CU-LT ≤ 800x600 mm
Plaatsing in flexibele wand (metal stud en gipskartonplaten), afdichting met gips
Het product werd getest en goedgekeurd in:
- Metal stud gipsplatenwand Type A (EN 520) ≥ 100 mm | EI 60 (ve i o) S - (500 Pa) | Gips | Installatiemethode: ingebouwd 0°/90°/180°/270°. Minimum afstand toegestaan. | 200x100 mm ≤ CU-LT ≤ 800x600 mm
- Metal stud gipsplatenwand Type F (EN 520) ≥ 100 mm | EI 90 (ve i o) S - (500 Pa) | Gips | Installatiemethode: ingebouwd 0°/90°/180°/270°. Minimum afstand toegestaan. | 200x100 mm ≤ CU-LT ≤ 800x600 mm

De brandkleppen mogen geïnstalleerd worden op een kortere afstand van een vloer/plafond (≥ 25 mm), van een wand of van een andere klep (≥ 50 mm).

Monteer de lichte wand en voorzie horizontale en verticale studs waar nodig rond de opening.
Bij plaatsing van één enkele brandklep op kortere afstand van het plafond, is het, vanuit brandtechnisch oogpunt, niet noodzakelijk om studs rond de opening te voorzien.
Bij plaatsing van één enkele brandklep op kortere afstand van het plafond, is het, vanuit brandtechnisch oogpunt, niet noodzakelijk om studs rond de opening te voorzien.

Installeer de brandkleppen in de opening.
Dicht de opening aan de zijde met minimale afstanden af met harde steenwolplaten (≥ 150 kg/m³) over een diepte van 400 mm (150 mm aan de mechanismezijde van de wand).
Deze afdichting wordt toegepast langs de hele breedte/hoogte van de klep.
Bij een afstand tussen klep en vloer/plafond van 25 mm mag de harde steenwolplaat vervangen worden door standaard steenwol ≥ 40 kg/m³ (bv. Rockfit 431), minstens 40% samengedrukt.
Dicht de opening aan de zijde met minimale afstanden af met harde steenwolplaten (≥ 150 kg/m³) over een diepte van 400 mm (150 mm aan de mechanismezijde van de wand).
Deze afdichting wordt toegepast langs de hele breedte/hoogte van de klep.
Bij een afstand tussen klep en vloer/plafond van 25 mm mag de harde steenwolplaat vervangen worden door standaard steenwol ≥ 40 kg/m³ (bv. Rockfit 431), minstens 40% samengedrukt.
Plaatsing in flexibele wand (metal stud en gipskartonplaten), afdichting met mortel
Het product werd getest en goedgekeurd in:
- Metal stud gipsplatenwand Type A (EN 520) ≥ 100 mm | EI 60 (ve i o) S - (300 Pa) | Mortel | Installatiemethode: ingebouwd 0/180°. Minimum afstand toegestaan. | 200x100 mm ≤ CU-LT ≤ 800x600 mm
- Metal stud gipsplatenwand Type F (EN 520) ≥ 100 mm | EI 90 (ve i o) S - (300 Pa) | Mortel | Installatiemethode: ingebouwd 0/180°. Minimum afstand toegestaan. | 200x100 mm ≤ CU-LT ≤ 800x600 mm

De brandkleppen mogen geïnstalleerd worden op een kortere afstand van een vloer/plafond (≥ 25 mm), van een wand of van een andere klep (≥ 50 mm).

Monteer de lichte wand en voorzie horizontale en verticale studs waar nodig rond de opening.
Bij plaatsing van één enkele brandklep op kortere afstand van het plafond, is het, vanuit brandtechnisch oogpunt, niet noodzakelijk om studs rond de opening te voorzien.
Bij plaatsing van één enkele brandklep op kortere afstand van het plafond, is het, vanuit brandtechnisch oogpunt, niet noodzakelijk om studs rond de opening te voorzien.

Installeer de brandkleppen in de opening.
Dicht de opening aan de zijde met minimale afstanden af met harde steenwolplaten (≥ 150 kg/m³) over een diepte van 400 mm (150 mm aan de mechanismezijde van de wand).
Deze afdichting wordt toegepast langs de hele breedte/hoogte van de klep.
Bij een afstand tussen klep en vloer/plafond van 25 mm mag de harde steenwolplaat vervangen worden door standaard steenwol ≥ 40 kg/m³ (bv. Rockfit 431), minstens 40% samengedrukt.
Dicht de opening aan de zijde met minimale afstanden af met harde steenwolplaten (≥ 150 kg/m³) over een diepte van 400 mm (150 mm aan de mechanismezijde van de wand).
Deze afdichting wordt toegepast langs de hele breedte/hoogte van de klep.
Bij een afstand tussen klep en vloer/plafond van 25 mm mag de harde steenwolplaat vervangen worden door standaard steenwol ≥ 40 kg/m³ (bv. Rockfit 431), minstens 40% samengedrukt.
Plaatsing in flexibele schachtwand, afdichting met gips
Het product werd getest en goedgekeurd in:
- Metal stud gipsplatenwand Type A (EN 520) ≥ 75 mm | EI 30 (ve i o) S - (500 Pa) | Gips | Installatiemethode: ingebouwd 0/90/180/270°. Minimum afstand toegestaan. | 200x100 mm ≤ CU-LT ≤ 800x600 mm
Plaatsing in flexibele schachtwand, afdichting met harde steenwolplaten met coating - EI 30 S
Het product werd getest en goedgekeurd in:
- Metal stud gipsplatenwand Type F (EN 520) ≥ 75 mm | EI 30 (ve i o) S - (300 Pa) | Gecoate steenwol + coating ≥ 140 kg/m³ | Installatiemethode: ingebouwd 0/90/180/270°. Minimum afstand toegestaan. | 200x100 mm ≤ CU-LT ≤ 800x600 mm

De opening rond de klep wordt afgedicht met 2 harde steenwolplaten van 50 mm. Deze platen moeten geschrankt geplaatst worden en de voegen moeten rondom rond bedekt worden met vulpasta.

De brandklep moet niet centraal in de opening (met maximale afmetingen Bn x Hn brandklep + 800 mm) geplaatst worden. De afstand tussen de brandklep en de rand van de opening is maximaal 400 mm.
Plaatsing in flexibele schachtwand, afdichting met harde steenwolplaten met coating - EI 60 S
Het product werd getest en goedgekeurd in:
- Metal stud gipsplatenwand Type F (EN 520) ≥ 80 mm | EI 60 (ve i o) S - (300 Pa) | Gecoate steenwol + coating ≥ 150 kg/m³ | Installatiemethode: ingebouwd 0/180°. Minimum afstand toegestaan. | 200x100 mm ≤ CU-LT ≤ 800x600 mm

De opening rond de klep wordt afgedicht met 2 harde steenwolplaten van 50 mm. Deze platen moeten geschrankt geplaatst worden en de voegen moeten rondom rond bedekt worden met vulpasta.

De brandklep moet niet centraal in de opening (met maximale afmetingen Bn x Hn brandklep + 800 mm) geplaatst worden. De afstand tussen de brandklep en de rand van de opening is maximaal 400 mm.

Tot maximaal 2 brandkleppen mogen geïnstalleerd worden op een kortere afstand van een vloer/plafond (≥ 50 mm) of van een andere klep (≥ 100 mm).
Plaatsing in flexibele schachtwand met IFW inbouwkit
Het product werd getest en goedgekeurd in:
- Metal stud gipsplatenwand Type F (EN 520) ≥ 90 mm | EI 90 (ve i o) S - (300 Pa) | Inbouwkit IFW | Installatiemethode: ingebouwd 0/90/180/270°. Minimum afstand toegestaan. | 200x100 mm ≤ CU-LT ≤ 800x600 mm
Plaatsing in CLT wand met IFW inbouwkit
Het product werd getest en goedgekeurd in:
- Kruislaaghout ≥ 100 mm | EI 90 (ve i o) S - (300 Pa) | Inbouwkit IFW | Installatiemethode: ingebouwd 0/90/180/270°. Minimum afstand toegestaan. | 200x100 mm ≤ CU-LT ≤ 800x600 mm
Plaatsing in flexibele en massieve wand, afdichting met harde steenwolplaten met coating
Het product werd getest en goedgekeurd in:
- Cellenbeton ≥ 100 mm | EI 120 (ve i o) S - (300 Pa) | Gecoate steenwol + coating ≥ 140 kg/m³ + coating op tunnel | Installatiemethode: ingebouwd 0°/90°/180°/270°. Minimum afstand toegestaan. | 200x100 mm ≤ CU-LT ≤ 800x600 mm
- Cellenbeton ≥ 100 mm | EI 90 (ve i o) S - (300 Pa) | Gecoate steenwol + coating ≥ 140 kg/m³ | Installatiemethode: ingebouwd 0°/90°/180°/270°. Minimum afstand toegestaan. | 200x100 mm ≤ CU-LT ≤ 800x600 mm
- Metal stud gipsplatenwand Type A (EN 520) ≥ 100 mm | EI 60 (ve i o) S - (300 Pa) | Gecoate steenwol + coating ≥ 140 kg/m³ | Installatiemethode: ingebouwd 0°/90°/180°/270°. Minimum afstand toegestaan. | 200x100 mm ≤ CU-LT ≤ 800x600 mm
- Metal stud gipsplatenwand Type F (EN 520) ≥ 100 mm | EI 120 (ve i o) S - (300 Pa) | Gecoate steenwol + coating ≥ 140 kg/m³ + coating op tunnel | Installatiemethode: ingebouwd 0°/90°/180°/270°. Minimum afstand toegestaan. | 200x100 mm ≤ CU-LT ≤ 800x600 mm
- Metal stud gipsplatenwand Type F (EN 520) ≥ 100 mm | EI 90 (ve i o) S - (300 Pa) | Gecoate steenwol + coating ≥ 140 kg/m³ | Installatiemethode: ingebouwd 0°/90°/180°/270°. Minimum afstand toegestaan. | 200x100 mm ≤ CU-LT ≤ 800x600 mm

Voorzie bij een flexibele wand horizontale en verticale studs rond de opening. Uitzondering: voor brandweerstand EI60S én bij afdichting met harde steenwolplaten van het type Promastop of Hilti is het, vanuit brandtechnisch oogpunt, niet noodzakelijk om studs rond de opening te voorzien.

De opening rond de klep wordt afgedicht met 2 harde steenwolplaten van 50 mm die eenzijdig voorzien zijn van 1 mm brandwerende coating (type PROMASTOP-CB 50 / PROMASTOP-CB/CC 50 / HILTI CFS-CT B / Mulcol Multimastic FB1 / PYRO-SAFE® FLAMMOTECT-A).
EI120S enkel mogelijk met Hilti of Promat materiaal.
EI120S enkel mogelijk met Hilti of Promat materiaal.

Deze platen moeten geschrankt geplaatst worden en de voegen moeten rondom rond bedekt worden met vulpasta (type PROMASTOP-CC / HILTI CFS-S-ACR / Mulcol Multimastic SP / PYRO-SAFE® FLAMMOTECT-A).

Voor EI 120 S dient de tunnel van de brandklep aan beide zijden van de wand te worden voorzien van 1 laag (> 1 mm) vulpasta (type PROMASTOP-CC / HILTI CFS-CT).
Deze coating ook aanbrengen voor EI 60 S als er geen metal stud profielen rond de opening voorzien werden.
Deze coating ook aanbrengen voor EI 60 S als er geen metal stud profielen rond de opening voorzien werden.

De brandklep moet niet centraal in de opening (met maximale afmetingen brandklep + 600 mm) geplaatst worden. De afstand tussen de brandklep en de rand van de opening is maximaal 400 mm.

De brandkleppen mogen geïnstalleerd worden op een kortere afstand van een vloer/plafond (≥ 25 mm), van een wand of van een andere klep (≥ 50 mm).

Monteer de lichte wand en voorzie horizontale en verticale studs waar nodig rond de opening.
Bij plaatsing van één enkele brandklep op kortere afstand van het plafond, is het, vanuit brandtechnisch oogpunt, niet noodzakelijk om studs rond de opening te voorzien in geval van gewenste brandweerstand EI60S.
Bij plaatsing van één enkele brandklep op kortere afstand van het plafond, is het, vanuit brandtechnisch oogpunt, niet noodzakelijk om studs rond de opening te voorzien in geval van gewenste brandweerstand EI60S.

Installeer de brandkleppen in de opening.
Dicht de opening aan de zijde met minimale afstanden af met harde steenwolplaten (≥ 150 kg/m³) over een diepte van 400 mm (150 mm aan de mechanismezijde van de wand).
Deze afdichting wordt toegepast langs de hele breedte/hoogte van de klep.
Bij een afstand tussen klep en vloer/plafond van 25 mm mag de harde steenwolplaat vervangen worden door standaard steenwol ≥ 40 kg/m³ (bv. Rockfit 431), minstens 40% samengedrukt.
Dicht de opening aan de zijde met minimale afstanden af met harde steenwolplaten (≥ 150 kg/m³) over een diepte van 400 mm (150 mm aan de mechanismezijde van de wand).
Deze afdichting wordt toegepast langs de hele breedte/hoogte van de klep.
Bij een afstand tussen klep en vloer/plafond van 25 mm mag de harde steenwolplaat vervangen worden door standaard steenwol ≥ 40 kg/m³ (bv. Rockfit 431), minstens 40% samengedrukt.
Plaatsing in massieve vloer, afdichting met harde steenwolplaten met coating
Het product werd getest en goedgekeurd in:
- Cellenbeton ≥ 150 mm | EI 120 (ho i o) S - (300 Pa) | Gecoate steenwol + coating ≥ 140 kg/m³ + coating op tunnel | Installatiemethode: ingebouwd 0°/90°/180°/270°. Minimum afstand toegestaan. | 200x100 mm ≤ CU-LT ≤ 800x600 mm
- Cellenbeton ≥ 150 mm | EI 90 (ho i o) S - (300 Pa) | Gecoate steenwol + coating ≥ 140 kg/m³ | Installatiemethode: ingebouwd 0°/90°/180°/270°. Minimum afstand toegestaan. | 200x100 mm ≤ CU-LT ≤ 800x600 mm

De opening rond de klep wordt afgedicht met 2 harde steenwolplaten van 50 mm die eenzijdig voorzien zijn van 1 mm brandwerende coating (type PROMASTOP-CB 50 / PROMASTOP-CB/CC 50 / HILTI CFS-CT B).

Deze platen moeten geschrankt geplaatst worden en de voegen moeten rondom rond bedekt worden met vulpasta (type PROMASTOP-CC / HILTI CFS-S-ACR).

Voor EI 120 S dient de tunnel van de brandklep aan beide zijden van de vloerplaat te worden voorzien van 1 laag (> 1 mm) vulpasta (type PROMASTOP-CC / HILTI CFS-CT).
(enkel voor 120 minuten)
(enkel voor 120 minuten)
Plaatsing op afstand van de wand, afdichting en isolatie met harde steenwolplaten met coating
Het product werd getest en goedgekeurd in:
- Cellenbeton ≥ 100 mm | EI 60 (ve i o) S - (300 Pa) | Gegalvaniseerd kanaal + gecoate steenwol ≥ 140 kg/m³ 1x60 mm + Inbouwkit IFW | Installatiemethode: montage op afstand, 0/180°. Minimum afstand toegestaan. | 200x100 mm ≤ CU-LT ≤ 800x600 mm
- Cellenbeton ≥ 100 mm | EI 90 (ve i o) S - (300 Pa) | Gegalvaniseerd kanaal + gecoate steenwol ≥ 140 kg/m³ 1x80 mm + Inbouwkit IFW | Installatiemethode: montage op afstand, 0/180°. Minimum afstand toegestaan. | 200x100 mm ≤ CU-LT ≤ 800x600 mm
- Cellenbeton ≥ 100 mm | EI 90 (ve i o) S - (300 Pa) | Gegalvaniseerd kanaal + gecoate steenwol ≥ 140 kg/m³ 2x50 mm + Inbouwkit IFW | Installatiemethode: montage op afstand, 0/180°. Minimum afstand toegestaan. | 200x100 mm ≤ CU-LT ≤ 800x600 mm
- Metal stud gipsplatenwand Type A (EN 520) ≥ 100 mm | EI 60 (ve i o) S - (300 Pa) | Gegalvaniseerd kanaal + gecoate steenwol ≥ 140 kg/m³ 1x60 mm + Inbouwkit IFW | Installatiemethode: montage op afstand, 0/180°. Minimum afstand toegestaan. | 200x100 mm ≤ CU-LT ≤ 800x600 mm
- Metal stud gipsplatenwand Type A (EN 520) ≥ 100 mm | EI 60 (ve i o) S - (300 Pa) | Gegalvaniseerd kanaal + gecoate steenwol ≥ 140 kg/m³ 2x50 mm + Inbouwkit IFW | Installatiemethode: montage op afstand, 0/180°. Minimum afstand toegestaan. | 200x100 mm ≤ CU-LT ≤ 800x600 mm
- Metal stud gipsplatenwand Type F (EN 520) ≥ 100 mm | EI 90 (ve i o) S - (300 Pa) | Gegalvaniseerd kanaal + gecoate steenwol ≥ 140 kg/m³ 2x50 mm + Inbouwkit IFW | Installatiemethode: montage op afstand, 0/180°. Minimum afstand toegestaan. | 200x100 mm ≤ CU-LT ≤ 800x600 mm

Voor een classificatie tot EI60S: de gecoate steenwolplaten van het type Promastop CB60 of CB-CC50 mogen vervangen worden door een gelijkaardig type steenwolplaat met minstens dezelfde brandreactieklasse, densiteit en dikte (getest volgens EN 1366-3).

In de wand wordt een opening met maximale afmetingen « A » voorzien. Voor een lichte wand dient de wand opgebouwd te worden volgens « Plaatsing in flexibele en massieve wand - afdichting met brandwerende steenwolplaten » hier voorafgaand.

De brandklep, voorzien van een IFW kit, wordt op afstand gemonteerd tussen een metalen kanaal. Het kanaal wordt elke 1500 mm ondersteund, als ook onder de brandklep zelf.
De ophanging bestaat uit draadstangen « C » en stalen U-profielen « D ». Er is een afstand van ongeveer 25 mm tussen de draadstangen en de verticale wanden van de omkasting uit gecoate steenwol platen « B ».
De ophanging bestaat uit draadstangen « C » en stalen U-profielen « D ». Er is een afstand van ongeveer 25 mm tussen de draadstangen en de verticale wanden van de omkasting uit gecoate steenwol platen « B ».

De opening rond het kanaal in de wand wordt afgedicht met gecoate steenwol platen type Promastop CB(/CC) / Hilti CFS-CT B « G ». De randen worden afgedicht met PROMASTOP-CC / HILTI CFS-S ACR coating waardoor de platen vast zitten.

Het kanaal wordt over zijn gehele lengte voorzien van gecoate steenwol platen type Promastop CB(/CC) / Hilti CFS-CT B « G ». Om de platen te bevestigen aan het kanaal worden ze aan één kant voorzien van brandwerende vulpasta en bevestigd met bouten en rondellen « E ».
De tunnel van de klep wordt ook beschermd door gecoate steenwol platen type Promastop CB(/CC) / Hilti CFS-CT B « G » over een lengte van 150 mm. Er dient een vrije ruimte voorzien te worden ter hoogte van het mechanisme om toegang hiertoe te garanderen.
De randen tussen de platen, tussen de wand en de platen, de bouten en rondellen worden voorzien van een coating type PROMASTOP-CC / HILTI CFS-S ACR.
De tunnel van de klep wordt ook beschermd door gecoate steenwol platen type Promastop CB(/CC) / Hilti CFS-CT B « G » over een lengte van 150 mm. Er dient een vrije ruimte voorzien te worden ter hoogte van het mechanisme om toegang hiertoe te garanderen.
De randen tussen de platen, tussen de wand en de platen, de bouten en rondellen worden voorzien van een coating type PROMASTOP-CC / HILTI CFS-S ACR.

Een extra gecoate steenwol plaat met breedte « B » en hoogte 100 mm, met coating PROMASTOP-CC / HILTI CFS-S ACR, wordt geplaatst op de scheiding tussen omkasting van steenwolplaten et de afdichting van de opening in de wand.

De brandkleppen mogen geïnstalleerd worden op een kortere afstand van een vloer/plafond, van een wand of van een andere klep.

Dicht de opening aan de zijde met minimale afstanden af met harde steenwolplaten (≥ 150 kg/m³) over een diepte van 400 mm (150 mm aan de mechanismezijde van de wand).
Wanneer de afstand tussen de klep en de wand groter is dan 75 mm, wordt de afdichting van de opening tussen klep en wand uitgevoerd volgens de reeds bestaande classificaties.
Wanneer de afstand tussen de klep en de wand groter is dan 75 mm, wordt de afdichting van de opening tussen klep en wand uitgevoerd volgens de reeds bestaande classificaties.
Plaatsing op afstand van de wand + GEOFLAM
Het product werd getest en goedgekeurd in:
- Cellenbeton ≥ 100 mm | EI 120 (ve i o) S - (500 Pa) | Gegalvaniseerd kanaal + GEOFLAM® F 45 mm + mortel | Installatiemethode: montage op afstand, 0/180°. Minimum afstand toegestaan. | 200x100 mm ≤ CU-LT ≤ 800x600 mm
- Cellenbeton ≥ 100 mm | EI 120 (ve i o) S - (500 Pa) | Gegalvaniseerd kanaal + GEOFLAM® Light 35 mm + mortel | Installatiemethode: montage op afstand, 0/180°. Minimum afstand toegestaan. | 200x100 mm ≤ CU-LT ≤ 800x600 mm

De brandklep wordt op afstand gemonteerd tussen een metalen kanaal. Het kanaal wordt elke 1000 mm ondersteund.
De ophanging bestaat uit draadstangen « C » en stalen U-profielen « D ». Er is een afstand van ongeveer 25 mm tussen de draadstangen en de verticale wanden van de omkasting « B ».
De ophanging bestaat uit draadstangen « C » en stalen U-profielen « D ». Er is een afstand van ongeveer 25 mm tussen de draadstangen en de verticale wanden van de omkasting « B ».

De opening rond het kanaal in de wand wordt afgedicht met standaard mortel. Het kanaal wordt over zijn gehele lengte voorzien van staff platen type GEOFLAM F met dikte 45 mm of GEOFLAM Light met dikte 35 mm « G ».
De platen worden afgedicht met lijm en plaaster met vezels « E ». De tunnel van de klep wordt ook beschermd over een lengte van 120 mm.
De platen worden afgedicht met lijm en plaaster met vezels « E ». De tunnel van de klep wordt ook beschermd over een lengte van 120 mm.

De bescherming in staff GEOFLAM F stopt op 15 mm van de muur. De vrije ruimte tussen de muur en de omkasting uit staff wordt opgevuld met plaaster en vezels.
Deze opvulling wordt ook toegepast op de scheiding tussen de omkasting en de tunnel van de brandklep.
Deze opvulling wordt ook toegepast op de scheiding tussen de omkasting en de tunnel van de brandklep.

De draadstangen worden beschermd door ½ schelpen uit staff Ø 90 mm en bevestigd tussen hun door lijm en plaaster met vezels.
De profielen worden beschermd door een beschermend U-profiel uit GEOFLAM van 100 x 60 mm, gelijmd aan de onderzijde van de omkasting met lijmplaaster GEOCOL (GEOSTAFF).
De profielen worden beschermd door een beschermend U-profiel uit GEOFLAM van 100 x 60 mm, gelijmd aan de onderzijde van de omkasting met lijmplaaster GEOCOL (GEOSTAFF).

De brandkleppen mogen geïnstalleerd worden op een kortere afstand van een vloer/plafond (≥ 25 mm), van een wand of van een andere klep (≥ 50 mm).
Algemene opmerkingen
- De plaatsing dient steeds te gebeuren conform het installatievoorschrift en het classificatierapport.
- As oriëntatie: zie prestatieverklaring.
- Vermijd obstructie van aansluitende kanalen.
- Inbouw van het product: altijd met gesloten klepblad.
- Kijk na of het klepblad vrij kan bewegen.
- Bij montage dienen de veiligheidsafstanden t.o.v. andere constructie-elementen gerespecteerd te worden. Het bedieningsmechanisme moet ook toegankelijk zijn: voorzie een speling van 200 mm rond de behuizing.
- De klasse van luchtdichtheid blijft behouden indien de installatie van de brandklep gebeurt conform de installatievoorschriften
- Rf-t brandkleppen worden steeds getest in gestandaardiseerde draagconstructies volgens EN 1366-2. De behaalde resultaten gelden voor gelijksoortige draagconstructies met een brandweerstand, dikte en dichtheid gelijk aan of groter dan de draagconstructie van de test.
- Als de wanddikte groter is dan de minimale dikte aangegeven in onze installatievoorschriften, gelden volgende voorwaarden voor de afdichtdiepte: - Bij flexibele wanden en sandwichpaneelsysteemwanden moet de afdichting steeds over de volledige diepte van de wand aangebracht worden. - Bij massieve wanden, massieve vloeren en gipsblokkenwanden volstaat de minimale afdichtdiepte zoals aangeduid in onze installatievoorschriften (vaak gelijk aan de minimale wanddikte). Afdichting aan te brengen ter hoogte van het klepblad (vanaf de wall limit aanduiding/inbouwaanslag).
- Bij inbouw van een brandklep in een flexibele metal stud wand is het bij sommige installatiemethodes vanuit brandtechnisch oogpunt niet noodzakelijk om versterkingsprofielen rond de wandopening aan te brengen (zie verder). Hou voor opbouw van dit type wanden steeds rekening met de algemene instructies van de producent van deze wandsystemen.
- De klep moet bereikbaar zijn voor inspectie en onderhoud.
- Minstens 2 visuele controles per jaar zijn aangewezen.