SC+60 - Installation

Commande : ouverture manuelle

2
Poussez les deux pattes d'arrêts pour débloquer les lames.
3
Encliquetez le fusible dans le support pour verrouiller les lames.

Commande : fermeture manuelle

2
Déclenchez (fermez) les lames en les poussant l'une vers l'autre et en exerçant une pression légère sur le fusible.

Câblage électrique

1
Un contact de position fin de course électrique (FCU) peut être installé sur le corps en acier pour signaler la position de la lame à distance. 1mA...6A DC 5V....AC250V. COM : noir ; NF : gris ; NO : bleu. Tension d'utilisation: Max 250V; Courant d'utilisation: Max 6A; Dégré de protection: IP65; Longueur du câble: 500 mm.

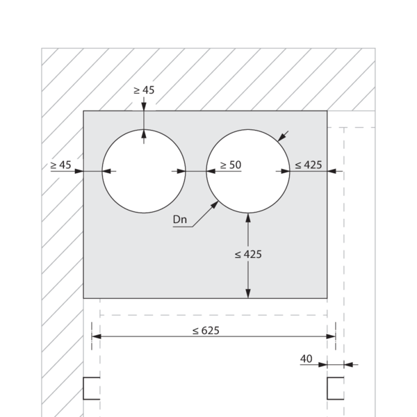
Installation à distance minimale d'un autre clapet ou d'une paroi adjacente

1
Selon la norme d’essai européenne, un clapet coupe-feu doit être installé à une distance minimale de 75 mm d’une paroi adjacente et de 200 mm d’un autre clapet, sauf si la solution a été testée à une distance inférieure. Cette gamme de clapets Rf-t a été testée avec succès et peut être installée en paroi verticale à une distance inférieure au minimum imposé par la norme dans certaines situations d'installation - voir plus loin.
2
En cas d'installation à une distance inférieure (uniquement possible avec certaines méthodes d'installation), la restriction suivante s'applique :
Au maximum 2 clapets circulaires peuvent être installés horizontalement à distance minimale l’un de l’autre.

Montage en paroi massive, calfeutrement avec des panneaux de laine de roche rigides et enduit - SC+60

Le produit a été testé et approuvé en :
  • Béton cellulaire ≥ 100 mm | EI 60 (ve i o) S - (300Pa) | Panneaux de laine de roche + enduit ≥ 140 kg/m³ | Type de pose : encastré en gaine traversant, 0-360°. Distances minimales autorisées. | SC+60 Ø 100-200 mm
3
Le colmatage de la réservation dans la paroi autour de la gaine dans laquelle se trouve le clapet terminal s'effectue au moyen de 2 couches de panneaux de laine de roche d'épaisseur 50mm recouverte d'enduit coupe-feu sur une face (type HILTI CFS-CT B).
4
Les 2 couches sont posées à joints décalés et ces joints sont recouverts sur tout le contour du panneau d'enduit de type HILTI CFS-S-ACR.
8
La gaine contenant le clapet ne doit pas être centrée dans la réservation (de dimensions maximales gaine + 600 mm). Une distance maximale de 425 mm doit être respectée par rapport au bord de la réservation.

Montage en paroi massive, gaine isolée, calfeutrement avec des panneaux de laine de roche rigides et enduit - SC+60

Le produit a été testé et approuvé en :
  • Béton cellulaire ≥ 100 mm | EI 60 (ve i o) S - (300Pa) | Gaine isolé (ArmaFlex EVO, ArmaFlex Protect – jusqu'à 13 mm) + panneaux de laine de roche + enduit ≥ 140 kg/m³ | Type de pose : encastré en gaine traversant, 0-360° | SC+60 Ø 100-200 mm
1
Les panneaux de laine de roche pré-enduit de type Hilti CFS-CT B peuvent être remplacés par un type similaire de panneau de laine de roche présentant au moins la même classe de réaction au feu, la même densité et la même épaisseur (testé selon EN 1366-3), par exemple PROMASTOP-CB 50 (CC).
3
La réservation dans la paroi autour de la gaine isolée est scellée avec 2 panneaux de laine de roche rigides de 50 mm avec couche d'enduit coupe-feu sur une face (type PROMASTOP-CB50 / Hilti CFS-CT B).
4
Les 2 couches sont posées à joints décalés et ces joints sont recouverts sur tout le contour du panneau d'enduit de type PROMASTOP-CC / HILTI CFS-S-ACR.

Montage en paroi massive, calfeutrement plâtre - SC+60

Le produit a été testé et approuvé en :
  • Béton cellulaire ≥ 100 mm | EI 60 (ve i o) S - (300Pa) | Plâtre | Type de pose : encastré en gaine traversant, 0-360°. Distances minimales autorisées. | SC+60 Ø 100-200 mm

Montage en paroi flexible, calfeutrement avec des panneaux de laine de roche rigides et enduit - SC+60

Le produit a été testé et approuvé en :
  • Ossature métallique et plaques de plâtre Type A (EN 520) ≥ 100 mm | EI 60 (ve i o) S - (300Pa) | Panneaux de laine de roche + enduit ≥ 140 kg/m³ | Type de pose : encastré en gaine traversant, 0-360°. Distances minimales autorisées. | SC+60 Ø 100-200 mm
3
Le colmatage de la réservation dans la paroi autour de la gaine dans laquelle se trouve le clapet terminal s'effectue au moyen de 2 couches de panneaux de laine de roche d'épaisseur 50mm recouverte d'enduit coupe-feu sur une face (type HILTI CFS-CT B).
4
Les 2 couches sont posées à joints décalés et ces joints sont recouverts sur tout le contour du panneau d'enduit de type HILTI CFS-S-ACR.
8
La gaine contenant le clapet ne doit pas être centrée dans la réservation (de dimensions maximales gaine + 600 mm). Une distance maximale de 425 mm doit être respectée par rapport au bord de la réservation.

Montage en paroi flexible, gaine isolée, calfeutrement avec des panneaux de laine de roche rigides et enduit - SC+60

Le produit a été testé et approuvé en :
  • Ossature métallique et plaques de plâtre Type A (EN 520) ≥ 100 mm | EI 60 (ve i o) S - (300Pa) | Gaine isolé (ArmaFlex EVO, ArmaFlex Protect – jusqu'à 13 mm) + panneaux de laine de roche + enduit ≥ 140 kg/m³ | Type de pose : encastré en gaine traversant, 0-360° | SC+60 Ø 100-200 mm
1
Les panneaux de laine de roche pré-enduit de type Hilti CFS-CT B peuvent être remplacés par un type similaire de panneau de laine de roche présentant au moins la même classe de réaction au feu, la même densité et la même épaisseur (testé selon EN 1366-3), par exemple PROMASTOP-CB 50 (CC).
3
La réservation dans la paroi autour de la gaine isolée est scellée avec 2 panneaux de laine de roche rigides de 50 mm avec couche d'enduit coupe-feu sur une face (type PROMASTOP-CB50 / Hilti CFS-CT B).
4
Les 2 couches sont posées à joints décalés et ces joints sont recouverts sur tout le contour du panneau d'enduit de type PROMASTOP-CC / HILTI CFS-S-ACR.

Montage en paroi flexible, calfeutrement plâtre - SC+60

Le produit a été testé et approuvé en :
  • Ossature métallique et plaques de plâtre Type A (EN 520) ≥ 100 mm | EI 60 (ve i o) S - (300Pa) | Plâtre | Type de pose : encastré en gaine traversant, 0-360°. Distances minimales autorisées. | SC+60 Ø 100-200 mm

Montage en paroi flexible, calfeutrement laine de roche + talons - SC(V)+60

Le produit a été testé et approuvé en :
  • Ossature métallique et plaques de plâtre Type A (EN 520) ≥ 100 mm | EI 60 (ve i o) S - (300Pa) | Laine de roche ≥ 40 kg/m³ + talons | Type de pose : encastré en gaine traversant, 0-360° | SC+60 Ø 100-200 mm

Montage en paroi et dalle massive, calfeutrement mortier - SC+60, SC+90 et SC+120

Le produit a été testé et approuvé en :
  • Béton cellulaire ≥ 150 mm | EI 60 (ho i o) S - (300Pa) | Mortier | Type de pose : encastré en gaine traversant, 0-360° | SC+60 Ø 100-200 mm
  • Béton cellulaire ≥ 100 mm | EI 60 (ve i o) S - (300Pa) | Mortier | Type de pose : encastré en gaine traversant, 0-360° | SC+60 Ø 100-200 mm

Remarques générales

  • Vérifiez le libre mouvement de la lame mobile.
  • Le clapet terminal doit être accessible pour inspection et entretien.
  • Respectez les distances de sécurité par rapport aux autres éléments constructifs.

Remarques spécifiques aux produits

  • L'installation doit être conforme au rapport de classement et à la notice technique.
  • Les résultats obtenus dans les structures porteuses normalisées selon la norme EN 1366-2 s'appliquent également aux structures porteuses similaires dont la résistance au feu, l'épaisseur et la densité sont égales ou supérieures à celles de la structure porteuse de l'essai. Plus d'informations sur les structures porteuses normalisées : https://www.rft.eu/fr-be/page/contexte-legal/reglementation-europeenne/parois-normalisees
  • Sens de montage: avec l'axe orienté de 0 à 360°
  • Direction du flux d'air: indifférent
  • Si les manipulations ne se déroulent pas conformément à la présente notice, Rf-Technologies ne peut pas être tenu responsable et les conditions de garantie ne seront pas d'application!