- Home
- Prodotti
- Cartucce serrande tagliafuoco
- SC+60
- Installazione
SC+60 - Installazione
Cablaggio elettrico

È possibile montare un interruttore di fine corsa (FCU) sul corpo in metallo. Lo scopo è determinare a distanza la posizione della cartuccia della serranda tagliafuoco circolare. 1 mA...6 A 5VCC...250VCA. COM: nero; N.C.: grigio; N.A.: blu. Alimentazione elettrica: Max 250 V; Potenza assorbita: Max 6 A; Grado di protezione: IP65; Lunghezza del cavo: 500 mm.
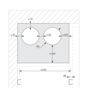
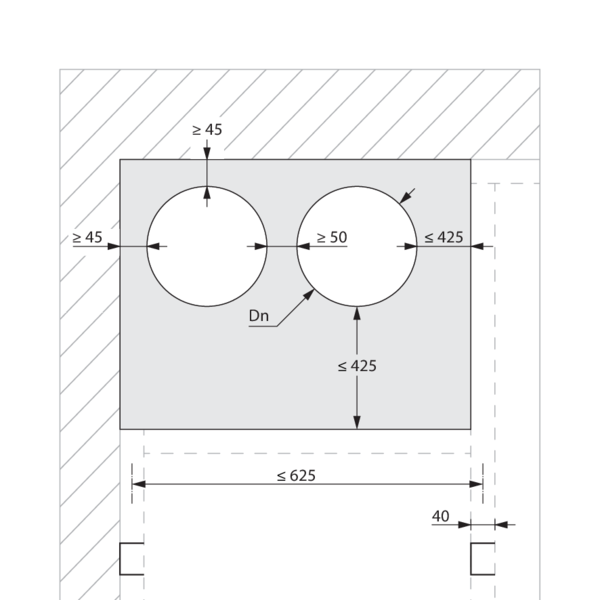
Installazione a una distanza minima da un'altra serranda o da una struttura di supporto adiacente

Secondo gli standard di prova europei, una serranda antincendio deve essere installata ad una distanza minima di 75 mm dalla parete adiacente e a 200 mm da un'altra serranda, a meno che la soluzione non sia stata testata per una distanza minore. Questa gamma di serrande tagliafuoco Rf-t è stata testata con successo e può essere installata in un telaio di supporto verticale ad una distanza inferiore al valore minimo stabilito dagli standard in alcune situazioni di installazione - vedi oltre.
Installazione in parete rigida, sigillatura con pannelli rigidi in lana di roccia con rivestimento - SC+60
Il prodotto è stato testato e approvato in::
- Calcestruzzo aerato ≥ 100 mm | EI 60 (ve i o) S - (300Pa) | Lana di roccia + rivestimento ≥ 140 kg/m³ | Tipo di installazione: a incasso all'interno di un canale, 0-360°. Distanze minime autorizzate. | SC+60 Ø 100-200 mm

L'apertura nella parete attorno al canale di ventilazione in cui è montata la cartuccia della serranda tagliafuoco è sigillata con 2 strati di pannelli di lana di roccia spessi 50 mm, con rivestimento resistente al fuoco su un lato (tipo HILTI CFS-CT B).
Installazione in parete rigida, canale isolato, sigillatura con pannelli rigidi in lana di roccia con rivestimento - SC+60
Il prodotto è stato testato e approvato in::
- Calcestruzzo aerato ≥ 100 mm | EI 60 (ve i o) S - (300Pa) | Canale isolato (ArmaFlex EVO, ArmaFlex Protect – fino a 13 mm) + lana di roccia + rivestimento ≥ 140 kg/m³ | Tipo di installazione: a incasso all'interno di un canale, 0-360° | SC+60 Ø 100-200 mm

L'apertura nella parete intorno al canale isolato viene sigillata con 2 lastre rigide di lana di roccia da 50 mm con rivestimento ignifugo su un lato (tipo Promastop CB50 / Hilti CFS-CT B).
Installazione in parete leggera, sigillatura con pannelli rigidi in lana di roccia con rivestimento - SC+60
Il prodotto è stato testato e approvato in::
- Pannello di cartongesso con telaio metallico tipo A (EN 520) ≥ 100 mm | EI 60 (ve i o) S - (300Pa) | Lana di roccia + rivestimento ≥ 140 kg/m³ | Tipo di installazione: a incasso all'interno di un canale, 0-360°. Distanze minime autorizzate. | SC+60 Ø 100-200 mm

L'apertura nella parete attorno al canale di ventilazione in cui è montata la cartuccia della serranda tagliafuoco è sigillata con 2 strati di pannelli di lana di roccia spessi 50 mm, con rivestimento resistente al fuoco su un lato (tipo HILTI CFS-CT B).
Installazione in parete leggera, canale isolato, sigillatura con pannelli rigidi in lana di roccia con rivestimento - SC+60
Il prodotto è stato testato e approvato in::
- Pannello di cartongesso con telaio metallico tipo A (EN 520) ≥ 100 mm | EI 60 (ve i o) S - (300Pa) | Canale isolato (ArmaFlex EVO, ArmaFlex Protect – fino a 13 mm) + lana di roccia + rivestimento ≥ 140 kg/m³ | Tipo di installazione: a incasso all'interno di un canale, 0-360° | SC+60 Ø 100-200 mm

L'apertura nella parete intorno al canale isolato viene sigillata con 2 lastre rigide di lana di roccia da 50 mm con rivestimento ignifugo su un lato (tipo Promastop CB50 / Hilti CFS-CT B).
Installazione in pareti e pavimenti rigidi con sigillatura in malta - SC+60, SC+90 e SC+120
Il prodotto è stato testato e approvato in::
- Calcestruzzo aerato ≥ 150 mm | EI 60 (ho i o) S - (300Pa) | Malta | Tipo di installazione: a incasso all'interno di un canale, 0-360° | SC+60 Ø 100-200 mm
- Calcestruzzo aerato ≥ 100 mm | EI 60 (ve i o) S - (300Pa) | Malta | Tipo di installazione: a incasso all'interno di un canale, 0-360° | SC+60 Ø 100-200 mm
Note generali
- Verificare se la pala può muoversi liberamente.
- La cartuccia della serranda tagliafuoco deve restare accessibile per ispezione e manutenzione.
- Rispettare le distanze di sicurezza da altri elementi costruttivi.
Note specifiche sul prodotto
- L'installazione deve essere conforme al manuale di installazionee al rapporto di classificazione.
- I risultati ottenuti nelle strutture di supporto standardizzate secondo la norma EN 1366-2 si applicano anche a strutture di supporto simili con resistenza al fuoco, spessore e densità pari o superiore alla struttura di supporto del test. Ulteriori informazioni sulle strutture di supporto standardizzate: https://www.rft.eu/en-eu/page/fire-safety/legal-context/european-regulations/standardised-constructions
- Senso di montaggio: montaggio possibile con l'asse in qualsiasi posizione (0-360°)
- Direzione del flusso d'aria: discrezionale
- Rf-Technologies declina ogni responsabilità in caso di utilizzo e movimentazione del prodotto in modi diversi da quelli descritti nel presente manuale; una tale eventualità determinerà inoltre l'annullamento di qualsiasi garanzia!