Open to innovation, closed to fire
retour
Home
Produits
Clapets coupe-feu
Clapets coupe-feu terminaux
Volets de désenfumage
Volet de transfert
Contrôleurs
Grilles coupe-feu
Manchons coupe-feu
Matériau de colmatage
Sécurité incendie
Compartimentage
Désenfumage
Contexte légal
Guide des normes de base
Clapet coupe-feu et CVC
Qui est Rf-Technologies
Rf-Technologies
Qualité
Références clients
Offres d'emploi
FAQ
My Rf-t
S'identifier
Créer un compte
Mot de passe oublié ?
BIM
Outils de calcul
Rf-Select
Catalogue
Déclarations des performances
Contact
Adresse et itinéraire
Demander un code d'accès
Équipe de vente
Après vente
Français (change language)
België
Belgique
Deutschland
United Kingdom
France
Italia
Nederland
Schweiz
Suisse
Svenska
Europe (English)
©2025 Rf-Technologies NV/SA. Tous droits réservés.
Données personnelles & Dispositions générales
Conditions générales de vente
Plan du site
Open to innovation, closed to fire
Belgique
Choose your language:
België
Belgique
Deutschland
United Kingdom
France
Italia
Nederland
Schweiz
Suisse
Svenska
Europe (English)
Se connecter
Configurator
Contactez-nous
Open to innovation, closed to fire
CRS60
Caractéristiques
Dimensions
Données de sélection
Installation
Classement
Documents
Mécanismes
Options et kits
Home
Produits
Clapets coupe-feu
CRS60
Dimensions
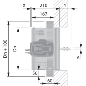
CRS60 - Dimensions
Gamme et dimensions
ØDn [mm]
100
125
160
200
250
315
400
500
630
Dépassement lame: X = du côté du mécanisme, Y = du côté mur
ØDn [mm]
100
125
160
200
250
315
400
500
630
X
-
-
-
-
-
23
66
116
181
Y
-
-
10
30
55
88
130
180
245
A
15
15
15
15
15
15
27
27
27
CRS60 + ONE L
ONE
BFNT
BFLT
P
141
134.8
130
Q
136
98
80
Z
60.8
49
40
Poids
Faire défiler vers le bas/la droite pour voir tout le tableau
ØDn [mm]
100
125
160
200
250
315
400
500
630
kg
2,5
2,9
3,5
4,2
5,5
7,0
12,5
12,7
18,5
Caractéristiques
Dimensions
Données de sélection
Installation
Classement
Documents
Mécanismes
Options et kits
To top