- Home
- Produits
- Clapets coupe-feu terminaux
- SC+120
- Installation
SC+120 - Installation
Câblage électrique

Un contact de position fin de course électrique (FCU) peut être installé sur le corps en acier pour signaler la position de la lame à distance. 1mA...6A DC 5V....AC250V.
COM : noir ; NF : gris ; NO : bleu.
Tension d'utilisation: Max 250V; Courant d'utilisation: Max 6A; Dégré de protection: IP65; Longueur du câble: 500 mm.
Remarques générales
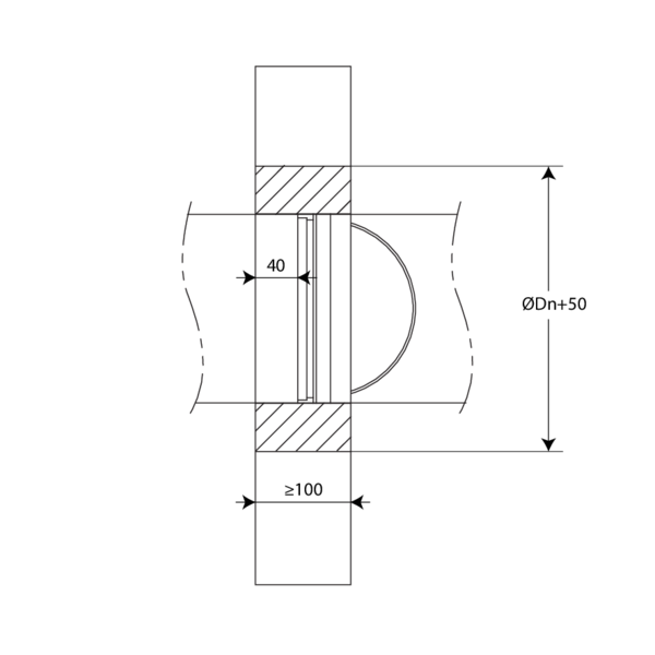
- Vérifiez le libre mouvement de la lame mobile.
- Le clapet terminal doit être accessible pour inspection et entretien.
- Respectez les distances de sécurité par rapport aux autres éléments constructifs.
Remarques spécifiques aux produits
- L'installation doit être conforme au rapport de classement et à la notice technique.
- Les résultats obtenus dans les structures porteuses normalisées selon la norme EN 1366-2 s'appliquent également aux structures porteuses similaires dont la résistance au feu, l'épaisseur et la densité sont égales ou supérieures à celles de la structure porteuse de l'essai. Plus d'informations sur les structures porteuses normalisées : https://www.rft.eu/fr-be/page/contexte-legal/reglementation-europeenne/parois-normalisees
- Sens de montage: avec l'axe orienté de 0 à 360°
- Direction du flux d'air: indifférent
- Si les manipulations ne se déroulent pas conformément à la présente notice, Rf-Technologies ne peut pas être tenu responsable et les conditions de garantie ne seront pas d'application!