SC+120 - Montering

Drift: manuell öppning

2
Tryck försiktigt ihop de två låsblecken för att frigöra bladen.
3
Tryck försiktigt smältsäkringen i hållaren för att låsa bladen.

Drift: manuell stängning

2
Frigör (stäng) spjället genom att trycka ihop spjällbladen. Lossa smältsäkringen försiktigt genom att trycka den i sidled.

Elektriska ledningar

1
En ändlägesbrytare (FCU) kan monteras på metallkroppen. Syftet är att bestämma positionen för den cirkulära brandspjället på distans. 1mA–6A DC 5V, AC 250 V. COM: svart; NS: grå; NÖ: blå. Strömförsörjning: max. 250 V; Strömförbrukning: max. 6A; Skyddsklass: IP65; Kabellängd: 500 mm.

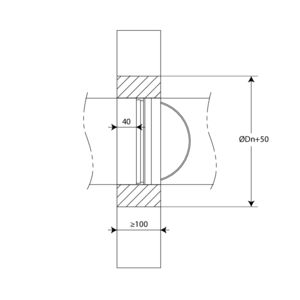
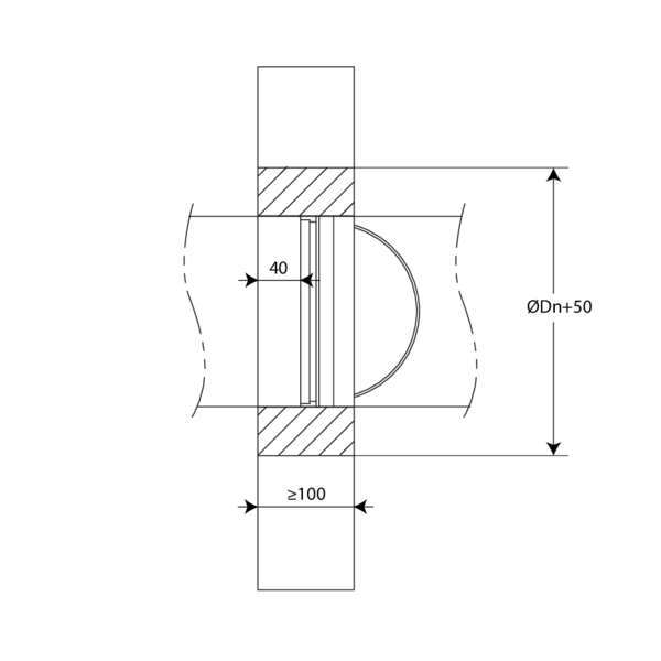
Montering i betongvägg/golv, försegling murbruk - SC+60, SC+90 och SC+120

Produkten testades och godkändes i:
  • Förstärkt betong ≥ 110 mm | EI 120 (ve i o) S - (300Pa) | Murbruk | Typ av installation: inbyggd i en kanal, 0–360° | SC+120 Ø 100-200 mm

Allmänna kommentarer

  • Kontrollera att bladet kan rör sig fritt.
  • Brandspjället måste vara tillgängligt för inspektion och underhåll.
  • Iaktta säkerhetsavstånd till andra byggnadselement.

Produktspecifika kommentarer

  • Spjället ska installeras i enlighet med montageanvisningen och provningsrapporten.
  • De resultat som erhålls i standardiserade bärverk enligt EN 1366-2 gäller även för liknande bärverk med ett brandmotstånd, tjocklek och densitet som är lika med eller större än bärverket i testet. Mer information om standardiserade bärande konstruktioner: https://www.rft.eu/sv-sv/sida/brandsakerhet/rattsligt-sammanhang/europeiska-bestammelser/standardiserade-stodkonstruktioner
  • Monteringsriktning: spjället kan monteras med axeln i alla riktningar (0–360°)
  • Luftflödets riktning: valfritt
  • Om produkten ändras på något annat sätt än vad som beskrivs i detta dokument, kommer inte Rf-Technologies att ansvara för ev. skador och garantin upphör då att gälla.