- Home
- Products
- Fire damper cartridges
- SC+120
- Installation
SC+120 - Installation
Electrical wiring

An end of range switch (FCU) can be mounted on the metal body. The purpose is to determine the position of the circular fire damper cartridge from a distance. 1mA...6A DC 5V....AC250V.
COM: black; NF: grey; NO: blue.
Power supply: Max 250V; Power consumption : Max 6A; Degree of protection: IP65; Length of cable: 500 mm.
General remarks
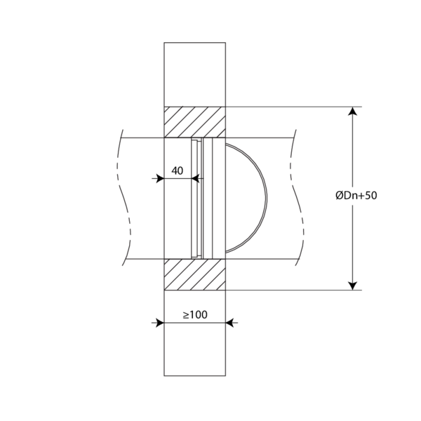
- Verify if the blade can move freely.
- The fire damper cartridge must remain accessible for inspection and maintenance.
- Please observe safety distances with respect to other construction elements.
Product-specific remarks
- The installation must comply with the installation manual and the classification report.
- The results obtained in standardised supporting structures according to EN 1366-2 also apply to similar supporting structures with a fire resistance, thickness and density equal to or greater than the supporting structure of the test. More information on standardised supporting structures: https://www.rft.eu/en-eu/page/fire-safety/legal-context/european-regulations/standardised-constructions
- Mounting direction: mounting possible with the axis in any position (0-360°)
- Direction of the airflow: discretionary
- If the product is manipulated in any other way than described in this manual, Rf-Technologies will decline any responsibility and the guarantee will expire!