- Home
- Producten
- Vlinderkleppen
- SC+90
- Installatie
SC+90 - Installatie
Elektrische bekabeling

Een elektrisch eindeloopcontact (FCU) kan op het metalen lichaam worden geïnstalleerd om van op afstand de positie van het klepblad te signaleren. 1mA...6A DC 5V....AC250V.
COM: zwart; NF: grijs; NO: blauw.
Gebruiksspanning: Max 250V; Gebruiksstroom Max 6A; Beschermingsgraad: IP65; Lengte kabel: 500 mm.
Plaatsing op minimale afstanden van een andere brandklep of van een aanpalende wand/vloer

Volgens de Europese testnorm EN 1366-2 bedraagt de minimaal vereiste afstand tussen 2 brandkleppen 200 mm en tussen een brandklep en een andere (draag)constructie 75 mm. Enkel als de klep op een kortere afstand van andere elementen werd getest, dan mag ze ook zo geplaatst worden.
Deze brandklep van Rf-Technologies werd met succes getest en mag geïnstalleerd worden op een kortere afstand dan het door de norm vastgelegde minimum in verticale wand in enkele inbouwsituaties - zie verder.
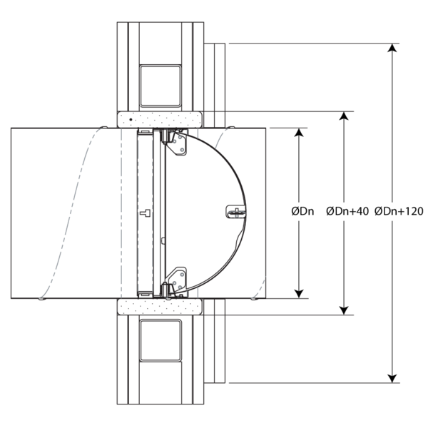
Plaatsing in massieve wand, afdichting met harde steenwolplaten met coating - SC+90
Het product werd getest en goedgekeurd in:
- Cellenbeton ≥ 100 mm | EI 90 (ve i o) S - (300Pa) | Gecoate steenwol + coating ≥ 140 kg/m³ + coating op kanaal | Installatiemethode: ingebouwd in kanaal, 0-360° | SC+90 Ø 100-200 mm

De opening in de wand rond het kanaal waarin de vlinderklep zit, wordt afgedicht met 2 harde steenwolplaten van 50mm die eenzijdig voorzien zijn van 1mm brandwerende coating (type PROMASTOP-CB 50 / PROMASTOP-CB/CC 50 / HILTI CFS-CT B).

Deze platen moeten geschrankt geplaatst worden en de voegen moeten rondom rond bedekt worden met vulpasta (type PROMASTOP-CC / HILTI CFS-S-ACR).
Plaatsing in flexibele wand, afdichting met harde steenwolplaten met coating - SC+90
Het product werd getest en goedgekeurd in:
- Metal stud gipsplatenwand Type F (EN 520) ≥ 100 mm | EI 90 (ve i o) S - (300Pa) | Gecoate steenwol + coating ≥ 140 kg/m³ + coating op kanaal | Installatiemethode: ingebouwd in kanaal, 0-360° | SC+90 Ø 100-200 mm

De opening in de wand rond het kanaal waarin de vlinderklep zit, wordt afgedicht met 2 harde steenwolplaten van 50mm die eenzijdig voorzien zijn van 1mm brandwerende coating (type PROMASTOP-CB 50 / PROMASTOP-CB/CC 50 / HILTI CFS-CT B).

Deze platen moeten geschrankt geplaatst worden en de voegen moeten rondom rond bedekt worden met vulpasta (type PROMASTOP-CC / HILTI CFS-S-ACR).
Plaatsing in massieve wand en vloer met mortel afdichting - SC+60, SC+90 en SC+120
Het product werd getest en goedgekeurd in:
- Cellenbeton ≥ 150 mm | EI 90 (ho i o) S - (300Pa) | Mortel | Installatiemethode: ingebouwd in kanaal, 0-360° | SC+90 Ø 100-200 mm
- Cellenbeton ≥ 100 mm | EI 90 (ve i o) S - (300Pa) | Mortel | Installatiemethode: ingebouwd in kanaal, 0-360° | SC+90 Ø 100-200 mm
Algemene opmerkingen
- Kijk na of het klepblad vrij kan bewegen.
- De vlinderklep moet bereikbaar zijn voor inspectie en onderhoud.
- Bij montage dienen de veiligheidsafstanden t.o.v. andere constructie-elementen gerespecteerd te worden. Tenzij anders vermeld.
Productspecifieke opmerkingen
- De plaatsing dient steeds te gebeuren conform het installatievoorschrift en het classificatierapport.
- De behaalde resultaten in gestandaardiseerde draagconstructies volgens EN 1366-2 gelden ook voor gelijksoortige draagconstructies met een brandweerstand, dikte en dichtheid gelijk aan of groter dan de draagconstructie van de test. Meer informatie over standaard draagconstructies: https://www.rft.eu/nl-nl/pagina/brandveiligheid/wettelijke-context/standaard-draagconstructies
- Montagezin: de montage kan met de klepas in elke stand (0-360°)
- Richting van de luchtstroom: willekeurig
- Bij het uitvoeren van niet-vermelde montage is Rf-Technologies niet verantwoordelijk en vervalt de garantie!