Open to innovation, closed to fire
back
Home
Produkter
Brand/brandgasspjäll
Brandspjäll med smältsäkring
Rökkontrollspjäll
Controllers
Brandsäkerhet
Brandcellsindelning
Rökevakuering
Rättsligt sammanhang
Brandspjäll och klimatanläggningar
Om Rf-Technologies
Rf-Technologies
Kvalitet
Referenser
Karriär
Vanliga frågor
Min Rf-t
Logga in
Skapa ditt konto
Glömt ditt lösenord?
BIM
Calculation Tools
Prestandadeklarationer
Kontakt
Adress och vägbeskrivning
Inloggning
Säljteam
Efterförsäljning
Svenska (ändra språk)
België
Belgique
Deutschland
United Kingdom
France
Italia
Nederland
Schweiz
Suisse
Svenska
Europe (English)
©2025 Rf-Technologies NV/SA. Alla rättigheter förbehållna.
Sekretess och ansvarsfriskrivning
Allmänna villkor
Platskarta
Open to innovation, closed to fire
Svenska
Choose your language:
België
Belgique
Deutschland
United Kingdom
France
Italia
Nederland
Schweiz
Suisse
Svenska
Europe (English)
Logga in
Configurator
Om oss
Kontakta oss
Open to innovation, closed to fire
CR120-L500
Funktioner och komponenter
Dimensioner
Urval data
Montering
Klassificering
Dokument
Mekanismer
Tillbehör och kits
Home
Produkter
Brand/brandgasspjäll
CR120-L500
Dimensioner
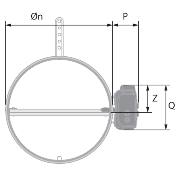
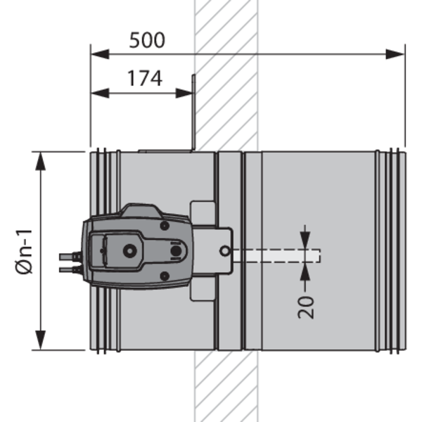
CR120-L500 - Dimensioner
Storlek och dimensioner
ØDn [mm]
100
125
150
160
180
200
250
300
315
L [mm]
500
500
500
500
500
500
500
500
500
MFUS
ONE (X)
BFLT
P
72
80
63
Q
123
136
100
Z
70
75
58
Vikter
Scrolla ned/höger för att se hela tabellen
ØDn [mm]
100
125
150
160
180
200
250
300
315
kg
1,5
1,9
2,2
2,3
2,8
3,0
3,8
4,9
5,0
Funktioner och komponenter
Dimensioner
Urval data
Montering
Klassificering
Dokument
Mekanismer
Tillbehör och kits
To top