- Home
- Produkter
- Rökkontrollspjäll
- VU120
- Montering
VU120 - Montering
Montering i vertikala och horisontella kanaler PROMATECT L500
Produkten testades och godkändes i:
- Promatect L500 ≥ 30 mm | EI 60 (ved hod i o) S 1500 AA multi | Utrymmet mellan kanal och spjäll (≤ 6 mm) förslutet med eldfast material (med ett djup på ≥ 105 mm) | Typ av installation: kanalmonterad/schaktmonterad 0/90°/180° /270°. Minimalt avstånd godkänt. | 200x200 mm ≤ VU120+MANF/BEN + galler ≤ 1200x800 mm; 1000x1000. 200x200 mm ≤ VU120+NF/SF + galler ≤ 1200x650 mm; 950x750 mm
- Promatect L500 ≥ 40 mm | EI 90 (ved hod i o) S 1500 AA multi | Utrymmet mellan kanal och spjäll (≤ 6 mm) förslutet med eldfast material (med ett djup på ≥ 105 mm) | Typ av installation: kanalmonterad/schaktmonterad 0/90°/180° /270°. Minimalt avstånd godkänt. | 200x200 mm ≤ VU120+MANF/BEN + galler ≤ 1200x800 mm; 1000x1000. 200x200 mm ≤ VU120+NF/SF + galler ≤ 1200x650 mm; 950x750 mm
- Promatect L500 ≥ 50 mm | EI 120 (ved hod i o) S 1500 AA multi | Utrymmet mellan kanal och spjäll (≤ 6 mm) förslutet med eldfast material (med ett djup på ≥ 105 mm) | Typ av installation: kanalmonterad/schaktmonterad 0/90°/180° /270°. Minimalt avstånd godkänt. | 200x200 mm ≤ VU120+MANF/BEN + galler ≤ 1200x800 mm; 1000x1000. 200x200 mm ≤ VU120+NF/SF + galler ≤ 1200x650 mm; 950x750 mm

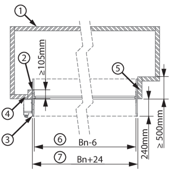
Gör en öppning med måtten (B + A) x (H + A) mm. A = 2 x tjocklek kanaldel (e) + 6 mm.
Montera en kanaldel av samma typ och tjocklek som kanalen (tjocklek e) minst 105 mm djup i öppningen.
Fäst kanaldelen på kanalväggen.
Täck först kanterna av öppningen med Promacol S.
Placera spjället i öppningen och färst spjället med 12 skruvar Ø 5 x 60 (horisontell kanal) eller med 10 skruvar Ø 5 x 60 (vertikal kanal).
Var försiktig: se till att skruvarna inte överskrider kanaldelens tjocklek!
Tätningen mellan höljet och kanalen (S) måste vara helt fylld med eldfast beläggning (typ Promacol S). Stötta tunneln eller dra åt bladet i stängt läge för att förhindra deformering av höljet under torkning av tätningsmaterialet.
Fäst gallret på flänsen med hjälp av lim typ Polyflex.
Kontrollera spjällbladets rörlighet.
Kör ett test på brand/brandgasspjäll mekanism.
Montera en kanaldel av samma typ och tjocklek som kanalen (tjocklek e) minst 105 mm djup i öppningen.
Fäst kanaldelen på kanalväggen.
Täck först kanterna av öppningen med Promacol S.
Placera spjället i öppningen och färst spjället med 12 skruvar Ø 5 x 60 (horisontell kanal) eller med 10 skruvar Ø 5 x 60 (vertikal kanal).
Var försiktig: se till att skruvarna inte överskrider kanaldelens tjocklek!
Tätningen mellan höljet och kanalen (S) måste vara helt fylld med eldfast beläggning (typ Promacol S). Stötta tunneln eller dra åt bladet i stängt läge för att förhindra deformering av höljet under torkning av tätningsmaterialet.
Fäst gallret på flänsen med hjälp av lim typ Polyflex.
Kontrollera spjällbladets rörlighet.
Kör ett test på brand/brandgasspjäll mekanism.
Montering i vertikala och horisontella kanaler GEOFLAM (LIGHT)
Produkten testades och godkändes i:
- Geoflam ≥ 30 mm | EI 60 (ved hod i o) S 1500 AA multi | Utrymmet mellan kanal och spjäll (≤ 80 mm) förslutet med eldfast material (med ett djup på ≥ 105 mm) | Typ av installation: kanalmonterad/schaktmonterad 0/90°/180° /270°. Minimalt avstånd godkänt. | 200x200 mm ≤ VU120+MANF/BEN + galler ≤ 1200x800 mm; 1000x1000. 200x200 mm ≤ VU120+NF/SF + galler ≤ 1200x650 mm; 950x750 mm
- Geoflam ≥ 35 mm | EI 90 (ved hod i o) S 1500 AA multi | Utrymmet mellan kanal och spjäll (≤ 80 mm) förslutet med eldfast material (med ett djup på ≥ 105 mm) | Typ av installation: kanalmonterad/schaktmonterad 0/90°/180° /270°. Minimalt avstånd godkänt. | 200x200 mm ≤ VU120+MANF/BEN + galler ≤ 1200x800 mm; 1000x1000. 200x200 mm ≤ VU120+NF/SF + galler ≤ 1200x650 mm; 950x750 mm
- Geoflam ≥ 45 mm | EI 120 (ved hod i o) S 1500 AA multi | Utrymmet mellan kanal och spjäll (≤ 80 mm) förslutet med eldfast material (med ett djup på ≥ 105 mm) | Typ av installation: kanalmonterad/schaktmonterad 0/90°/180° /270°. Minimalt avstånd godkänt. | 200x200 mm ≤ VU120+MANF/BEN + galler ≤ 1200x800 mm; 1000x1000. 200x200 mm ≤ VU120+NF/SF + galler ≤ 1200x650 mm; 950x750 mm
- Geoflam Light ≥ 35 mm | EI 120 (ved hod i o) S 1500 AA multi | Utrymmet mellan kanal och spjäll (≤ 80 mm) förslutet med eldfast material (med ett djup på ≥ 105 mm) | Typ av installation: kanalmonterad/schaktmonterad 0/90°/180° /270°. Minimalt avstånd godkänt. | 200x200 mm ≤ VU120+MANF/BEN + galler ≤ 1200x800 mm; 1000x1000. 200x200 mm ≤ VU120+NF/SF + galler ≤ 1200x650 mm; 950x750 mm

Gör en öppning med måtten (B+80) x (H+80) mm.
Montera en kanaldel av samma typ och tjocklek som kanalen (tjocklek e) minst 105 mm djup i öppningen.
Försegla skarvarna mellan stolpar och tvärstycken och mellan fodret och väggen med drev av växtfiber och gips.
Tätningen mellan höljet och kanalen (S) måste vara helt fylld med fiberförstärkt gips. Stötta tunneln eller dra åt bladet i stängt läge för att förhindra deformering av höljet under torkning av tätningsmaterialet.
Fäst gallret på flänsen med hjälp av lim typ Polyflex.
Kontrollera spjällbladets rörlighet.
Kör ett test på brand/brandgasspjäll mekanism.
Montera en kanaldel av samma typ och tjocklek som kanalen (tjocklek e) minst 105 mm djup i öppningen.
Försegla skarvarna mellan stolpar och tvärstycken och mellan fodret och väggen med drev av växtfiber och gips.
Tätningen mellan höljet och kanalen (S) måste vara helt fylld med fiberförstärkt gips. Stötta tunneln eller dra åt bladet i stängt läge för att förhindra deformering av höljet under torkning av tätningsmaterialet.
Fäst gallret på flänsen med hjälp av lim typ Polyflex.
Kontrollera spjällbladets rörlighet.
Kör ett test på brand/brandgasspjäll mekanism.
Montering i vertikala och horisontella kanaler GEOTEC
Produkten testades och godkändes i:
- Geotec ≥ 30 mm | EI 60 (ved hod i o) S 1500 AA multi | Utrymmet mellan kanal och spjäll (≤ 80 mm) förslutet med eldfast material (med ett djup på ≥ 105 mm) | Typ av installation: kanalmonterad/schaktmonterad 0/90°/180° /270°. Minimalt avstånd godkänt. | 200x200 mm ≤ VU120+MANF/BEN + galler ≤ 1200x800 mm; 1000x1000. 200x200 mm ≤ VU120+NF/SF + galler ≤ 1200x650 mm; 950x750 mm
- Geotec ≥ 45 mm | EI 120 (ved hod i o) S 1500 AA multi | Utrymmet mellan kanal och spjäll (≤ 80 mm) förslutet med eldfast material (med ett djup på ≥ 105 mm) | Typ av installation: kanalmonterad/schaktmonterad 0/90°/180° /270°. Minimalt avstånd godkänt. | 200x200 mm ≤ VU120+MANF/BEN + galler ≤ 1200x800 mm; 1000x1000. 200x200 mm ≤ VU120+NF/SF + galler ≤ 1200x650 mm; 950x750 mm

Gör en öppning med måtten (B+80) x (H+80) mm (vid tätning med en blandning av gips och sisalfiber) eller en öppning med måtten (B+6) x (H+6) mm (vid tätning med lim och skruvar).
Montera en kanaldel av samma typ och tjocklek som kanalen (tjocklek e) minst 105 mm djup i öppningen.
Försegla skarvarna mellan stolpar och tvärstycken och mellan fodret och väggen med drev av växtfiber och gips eller fäst kragen i kanalväggen med lim och skruvar Ø 5 x (2 x e) mm i steg om 100 mm.
Montera spjället i öppningen.
Tätningen mellan höljet och kanalen (S) måste vara helt fylld med fiberförstärkt gips eller med GEOCOL lim och skruvar. Stötta tunneln eller dra åt bladet i stängt läge för att förhindra deformering av höljet under torkning av tätningsmaterialet.
Fäst gallret på flänsen med hjälp av lim typ Polyflex.
Kontrollera spjällbladets rörlighet.
Kör ett test på brand/brandgasspjäll mekanism.
Montera en kanaldel av samma typ och tjocklek som kanalen (tjocklek e) minst 105 mm djup i öppningen.
Försegla skarvarna mellan stolpar och tvärstycken och mellan fodret och väggen med drev av växtfiber och gips eller fäst kragen i kanalväggen med lim och skruvar Ø 5 x (2 x e) mm i steg om 100 mm.
Montera spjället i öppningen.
Tätningen mellan höljet och kanalen (S) måste vara helt fylld med fiberförstärkt gips eller med GEOCOL lim och skruvar. Stötta tunneln eller dra åt bladet i stängt läge för att förhindra deformering av höljet under torkning av tätningsmaterialet.
Fäst gallret på flänsen med hjälp av lim typ Polyflex.
Kontrollera spjällbladets rörlighet.
Kör ett test på brand/brandgasspjäll mekanism.
Montering i vertikala och horisontella kanaler TECNIVER
Produkten testades och godkändes i:
- Tecniver ≥ 35 mm | EI 60 (ved hod i o) S 1500 AA multi | Utrymmet mellan kanal och spjäll (≤ 6 mm) förslutet med eldfast material (med ett djup på ≥ 105 mm) | Typ av installation: kanalmonterad/schaktmonterad 0/90°/180° /270°. Minimalt avstånd godkänt. | 200x200 mm ≤ VU120+MANF/BEN + galler ≤ 1200x800 mm; 1000x1000. 200x200 mm ≤ VU120+NF/SF + galler ≤ 1200x650 mm; 950x750 mm
- Tecniver ≥ 45 mm | EI 90 (ved hod i o) S 1500 AA multi | Utrymmet mellan kanal och spjäll (≤ 6 mm) förslutet med eldfast material (med ett djup på ≥ 105 mm) | Typ av installation: kanalmonterad/schaktmonterad 0/90°/180° /270°. Minimalt avstånd godkänt. | 200x200 mm ≤ VU120+MANF/BEN + galler ≤ 1200x800 mm; 1000x1000. 200x200 mm ≤ VU120+NF/SF + galler ≤ 1200x650 mm; 950x750 mm
- Tecniver ≥ 50 mm | EI 120 (ved hod i o) S 1500 AA multi | Utrymmet mellan kanal och spjäll (≤ 6 mm) förslutet med eldfast material (med ett djup på ≥ 105 mm) | Typ av installation: kanalmonterad/schaktmonterad 0/90°/180° /270°. Minimalt avstånd godkänt. | 200x200 mm ≤ VU120+MANF/BEN + galler ≤ 1200x800 mm; 1000x1000. 200x200 mm ≤ VU120+NF/SF + galler ≤ 1200x650 mm; 950x750 mm

Gör en öppning med måtten (B + A) x (H + A) mm. A = 2 x tjocklek kanaldel (e) + 6 mm.
Montera en kanaldel av samma typ och tjocklek som kanalen (tjocklek e) minst 105 mm djup i öppningen.
Fäst kanaldelen på kanalväggen.
Använd lim CF GLUE på kanterna av öppningen och på stolpar och tvärstycken.
Placera spjället i öppningen och färst spjället med 12 skruvar Ø 5 x 60 (horisontell kanal) eller med 10 skruvar Ø 5 x 60 (vertikal kanal).
Var försiktig: se till att skruvarna inte överskrider kanaldelens tjocklek!
Tätningen mellan höljet och kanalen (S) måste vara helt fylld med lim (t.ex. CF glue). Stöd höljet eller dra åt bladet i stängt läge för att förhindra deformering av höljet under torkning av tätningsmaterialet.
Fäst gallret på flänsen med hjälp av lim typ Polyflex.
Kontrollera spjällbladets rörlighet.
Kör ett test på brand/brandgasspjäll mekanism.
Montera en kanaldel av samma typ och tjocklek som kanalen (tjocklek e) minst 105 mm djup i öppningen.
Fäst kanaldelen på kanalväggen.
Använd lim CF GLUE på kanterna av öppningen och på stolpar och tvärstycken.
Placera spjället i öppningen och färst spjället med 12 skruvar Ø 5 x 60 (horisontell kanal) eller med 10 skruvar Ø 5 x 60 (vertikal kanal).
Var försiktig: se till att skruvarna inte överskrider kanaldelens tjocklek!
Tätningen mellan höljet och kanalen (S) måste vara helt fylld med lim (t.ex. CF glue). Stöd höljet eller dra åt bladet i stängt läge för att förhindra deformering av höljet under torkning av tätningsmaterialet.
Fäst gallret på flänsen med hjälp av lim typ Polyflex.
Kontrollera spjällbladets rörlighet.
Kör ett test på brand/brandgasspjäll mekanism.
Montering i vertikala och horisontella kanaler GLASROC F V500
Produkten testades och godkändes i:
- Glasroc F V500 ≥ 35 mm | EI 60 (ved hod i o) S 1500 AA multi | Utrymmet mellan kanal och spjäll (≤ 6 mm) förslutet med eldfast material (med ett djup på ≥ 105 mm) | Typ av installation: kanalmonterad/schaktmonterad 0/90°/180° /270°. Minimalt avstånd godkänt. | 200x200 mm ≤ VU120+MANF/BEN + galler ≤ 1200x800 mm; 1000x1000. 200x200 mm ≤ VU120+NF/SF + galler ≤ 1200x650 mm; 950x750 mm
- Glasroc F V500 ≥ 50 mm | EI 120 (ved hod i o) S 1500 AA multi | Utrymmet mellan kanal och spjäll (≤ 6 mm) förslutet med eldfast material (med ett djup på ≥ 105 mm) | Typ av installation: kanalmonterad/schaktmonterad 0/90°/180° /270°. Minimalt avstånd godkänt. | 200x200 mm ≤ VU120+MANF/BEN + galler ≤ 1200x800 mm; 1000x1000. 200x200 mm ≤ VU120+NF/SF + galler ≤ 1200x650 mm; 950x750 mm

Gör en öppning med måtten (B + A) x (H + A) mm. A = 2 x tjocklek kanaldel (e) + 6 mm.
Montera en kanaldel av samma typ och tjocklek som kanalen (tjocklek e) minst 105 mm djup i öppningen.
Fäst kanaldelen på kanalväggen.
Använd lim GLASROC F V500 på kanterna av öppningen och på stolpar och tvärstycken.
Placera spjället i öppningen och färst spjället med 12 skruvar Ø 5 x 60 (horisontell kanal) eller med 10 skruvar Ø 5 x 60 (vertikal kanal).
Var försiktig: se till att skruvarna inte överskrider kanaldelens tjocklek!
Tätningen mellan höljet och kanalen (S) måste vara helt fylld med lim (t.ex. Glasroc F V500). Stöd höljet eller dra åt bladet i stängt läge för att förhindra deformering av höljet under torkning av tätningsmaterialet.
Fäst gallret på flänsen med hjälp av lim typ Polyflex.
Kontrollera spjällbladets rörlighet.
Kör ett test på brand/brandgasspjäll mekanism.
Montera en kanaldel av samma typ och tjocklek som kanalen (tjocklek e) minst 105 mm djup i öppningen.
Fäst kanaldelen på kanalväggen.
Använd lim GLASROC F V500 på kanterna av öppningen och på stolpar och tvärstycken.
Placera spjället i öppningen och färst spjället med 12 skruvar Ø 5 x 60 (horisontell kanal) eller med 10 skruvar Ø 5 x 60 (vertikal kanal).
Var försiktig: se till att skruvarna inte överskrider kanaldelens tjocklek!
Tätningen mellan höljet och kanalen (S) måste vara helt fylld med lim (t.ex. Glasroc F V500). Stöd höljet eller dra åt bladet i stängt läge för att förhindra deformering av höljet under torkning av tätningsmaterialet.
Fäst gallret på flänsen med hjälp av lim typ Polyflex.
Kontrollera spjällbladets rörlighet.
Kör ett test på brand/brandgasspjäll mekanism.
Montering i vertikala och horisontella kanaler EXTHAMAT
Produkten testades och godkändes i:
- Exthamat ≥ 25 mm | EI 60 (ved hod i o) S 1500 AA multi | Utrymmet mellan kanal och spjäll (≤ 80 mm) förslutet med eldfast material (med ett djup på ≥ 105 mm) | Typ av installation: kanalmonterad/schaktmonterad 0/90°/180° /270°. Minimalt avstånd godkänt. | 200x200 mm ≤ VU120+MANF/BEN + galler ≤ 1200x800 mm; 1000x1000. 200x200 mm ≤ VU120+NF/SF + galler ≤ 1200x650 mm; 950x750 mm
- Exthamat ≥ 30 mm | EI 90 (ved hod i o) S 1500 AA multi | Utrymmet mellan kanal och spjäll (≤ 80 mm) förslutet med eldfast material (med ett djup på ≥ 105 mm) | Typ av installation: kanalmonterad/schaktmonterad 0/90°/180° /270°. Minimalt avstånd godkänt. | 200x200 mm ≤ VU120+MANF/BEN + galler ≤ 1200x800 mm; 1000x1000. 200x200 mm ≤ VU120+NF/SF + galler ≤ 1200x650 mm; 950x750 mm
- Exthamat ≥ 35 mm | EI 120 (ved hod i o) S 1500 AA multi | Utrymmet mellan kanal och spjäll (≤ 80 mm) förslutet med eldfast material (med ett djup på ≥ 105 mm) | Typ av installation: kanalmonterad/schaktmonterad 0/90°/180° /270°. Minimalt avstånd godkänt. | 200x200 mm ≤ VU120+MANF/BEN + galler ≤ 1200x800 mm; 1000x1000. 200x200 mm ≤ VU120+NF/SF + galler ≤ 1200x650 mm; 950x750 mm

Gör en öppning med måtten (B+80) x (H+80) mm.
Montera en kanaldel av samma typ och tjocklek som kanalen (tjocklek e) minst 105 mm djup i öppningen.
Försegla skarvarna mellan stolpar och tvärstycken och mellan fodret och väggen med drev av växtfiber och gips.
Tätningen mellan höljet och kanalen (S) måste vara helt fylld med fiberförstärkt gips. Stötta tunneln eller dra åt bladet i stängt läge för att förhindra deformering av höljet under torkning av tätningsmaterialet.
Fäst gallret på flänsen med hjälp av lim typ Polyflex.
Kontrollera spjällbladets rörlighet.
Kör ett test på brand/brandgasspjäll mekanism.
Montera en kanaldel av samma typ och tjocklek som kanalen (tjocklek e) minst 105 mm djup i öppningen.
Försegla skarvarna mellan stolpar och tvärstycken och mellan fodret och väggen med drev av växtfiber och gips.
Tätningen mellan höljet och kanalen (S) måste vara helt fylld med fiberförstärkt gips. Stötta tunneln eller dra åt bladet i stängt läge för att förhindra deformering av höljet under torkning av tätningsmaterialet.
Fäst gallret på flänsen med hjälp av lim typ Polyflex.
Kontrollera spjällbladets rörlighet.
Kör ett test på brand/brandgasspjäll mekanism.
Montering i vertikala och horisontella kanaler DESENFIRE (HD/THD/STR)
Produkten testades och godkändes i:
- Desenfire HD ≥ 25 mm | EI 60 (ved hod i o) S 1500 AA multi | Utrymmet mellan kanal och spjäll (≤ 80 mm) förslutet med eldfast material (med ett djup på ≥ 105 mm) | Typ av installation: kanalmonterad/schaktmonterad 0/90°/180° /270°. Minimalt avstånd godkänt. | 200x200 mm ≤ VU120+MANF/BEN + galler ≤ 1200x800 mm; 1000x1000. 200x200 mm ≤ VU120+NF/SF + galler ≤ 1200x650 mm; 950x750 mm
- Desenfire HD ≥ 35 mm | EI 120 (ved hod i o) S 1500 AA multi | Utrymmet mellan kanal och spjäll (≤ 80 mm) förslutet med eldfast material (med ett djup på ≥ 105 mm) | Typ av installation: kanalmonterad/schaktmonterad 0/90°/180° /270°. Minimalt avstånd godkänt. | 200x200 mm ≤ VU120+MANF/BEN + galler ≤ 1200x800 mm; 1000x1000. 200x200 mm ≤ VU120+NF/SF + galler ≤ 1200x650 mm; 950x750 mm
- Desenfire STR ≥ 25 mm | EI 120 (ved hod i o) S 1500 AA multi | Utrymmet mellan kanal och spjäll (≤ 80 mm) förslutet med eldfast material (med ett djup på ≥ 105 mm) | Typ av installation: kanalmonterad/schaktmonterad 0/90°/180° /270°. Minimalt avstånd godkänt. | 200x200 mm ≤ VU120+MANF/BEN + galler ≤ 1200x800 mm; 1000x1000. 200x200 mm ≤ VU120+NF/SF + galler ≤ 1200x650 mm; 950x750 mm

Gör en öppning med måtten (B+80) x (H+80) mm.
Montera en kanaldel av samma typ och tjocklek som kanalen (tjocklek e) minst 105 mm djup i öppningen.
Försegla skarvarna mellan stolpar och tvärstycken och mellan fodret och väggen med drev av växtfiber och gips.
Tätningen mellan höljet och kanalen (S) måste vara helt fylld med fiberförstärkt gips. Stötta tunneln eller dra åt bladet i stängt läge för att förhindra deformering av höljet under torkning av tätningsmaterialet.
Fäst gallret på flänsen med hjälp av lim typ Polyflex.
Kontrollera spjällbladets rörlighet.
Kör ett test på brand/brandgasspjäll mekanism.
Montera en kanaldel av samma typ och tjocklek som kanalen (tjocklek e) minst 105 mm djup i öppningen.
Försegla skarvarna mellan stolpar och tvärstycken och mellan fodret och väggen med drev av växtfiber och gips.
Tätningen mellan höljet och kanalen (S) måste vara helt fylld med fiberförstärkt gips. Stötta tunneln eller dra åt bladet i stängt läge för att förhindra deformering av höljet under torkning av tätningsmaterialet.
Fäst gallret på flänsen med hjälp av lim typ Polyflex.
Kontrollera spjällbladets rörlighet.
Kör ett test på brand/brandgasspjäll mekanism.
Montering i vertikalt schakt betong
Produkten testades och godkändes i:
- Murverk, betongblock, betong ≥ 100 mm | EI 120 (ved i o) S 1500 AA multi | Murbruk | Typ av installation: kanalmonterad/schaktmonterad 0/90°/180° /270°. Minimalt avstånd godkänt. | 200x200 mm ≤ VU120+MANF/BEN + galler ≤ 1200x800 mm; 1000x1000. 200x200 mm ≤ VU120+NF/SF + galler ≤ 1200x650 mm; 950x750 mm
- Förstärkt betong (≥ 2150 kg/m³) ≥ 70 mm | EI 90 (ved i o) S 1500 AA multi | Murbruk | Typ av installation: kanalmonterad/schaktmonterad 0/90°/180° /270°. Minimalt avstånd godkänt. | 200x200 mm ≤ VU120+MANF/BEN + galler ≤ 1200x800 mm; 1000x1000. 200x200 mm ≤ VU120+NF/SF + galler ≤ 1200x650 mm; 950x750 mm

Gör en öppning med måtten (B+20) x (H+20) mm till (B+100) x (H+100) mm.
Montera spjället i öppningen. Skarven mellan spjället och kanalen (S) ska tätas med murbruk.
Stötta tunneln eller blockera spjällbladet i stängt läge för att förhindra deformering av höljet under torkning av tätningsmaterialet.
Fäst gallret på flänsen med hjälp av lim typ Polyflex.
Kontrollera spjällbladets rörlighet.
Kör ett test på brand/brandgasspjäll mekanism.
Montera spjället i öppningen. Skarven mellan spjället och kanalen (S) ska tätas med murbruk.
Stötta tunneln eller blockera spjällbladet i stängt läge för att förhindra deformering av höljet under torkning av tätningsmaterialet.
Fäst gallret på flänsen med hjälp av lim typ Polyflex.
Kontrollera spjällbladets rörlighet.
Kör ett test på brand/brandgasspjäll mekanism.
Montering på minimalt avstånd

Rökkontrollspjällen kan installeras på minimalt avstånd ovanpå eller bredvid varandra, förutsatt att de är monterade i separata hylsor tillverkade av kanalmaterial med erforderligt brandmotstånd. Det rekommenderas att inte överskrida en konfiguration på 2 x 4 (Höjd x Bredd).

Om flera Rökkontrollspjäll är monterade på ett minimalt avstånd, måste kanalens vara anpassat och förstärkt för den ökade vikten. Installationen skall följa klassificeringen enligt tillverkaren av kanalmaterialet.
Allmänna kommentarer
- Spjället ska installeras i enlighet med montageanvisningen och provningsrapporten.
- Montering av rökgasevakueringskanal måste överensstämma med klassificeringsrapporten från tillverkaren.
- Position spjällaxel: se prestandadeklarationen.
- Undvik blockering av angränsande rökgasevakueringskanaler.
- Kontrollera att bladet kan rör sig fritt.
- Rf-t rökkkontrollspjäll kan användas i kanaler som har testats enligt SS-EN 1366-8 och SS-EN 1366-9.
- Tänk på att: vid montering ska produkten hanteras med försiktighet och förbli skyddad från eventuella tätningsprodukter.
- Tänk på att: rengör all eventuellt damm och smuts innan installationen tas i drift.
- Tänk på att: se till att bladet får plats inuti rökevakueringskanaler.